هواکش محوری DZR 40/4 B؛ کارکرد مکشی و دهشی

هواکش‌های محوری داخل داکت

هواکش داخل داکت، امکان کارکرد مکشی و دهشی
قابل استفاده در واحد ماشین آلات، نمایشگاه، دفتر فرمان، کارگاه و سایت تولید

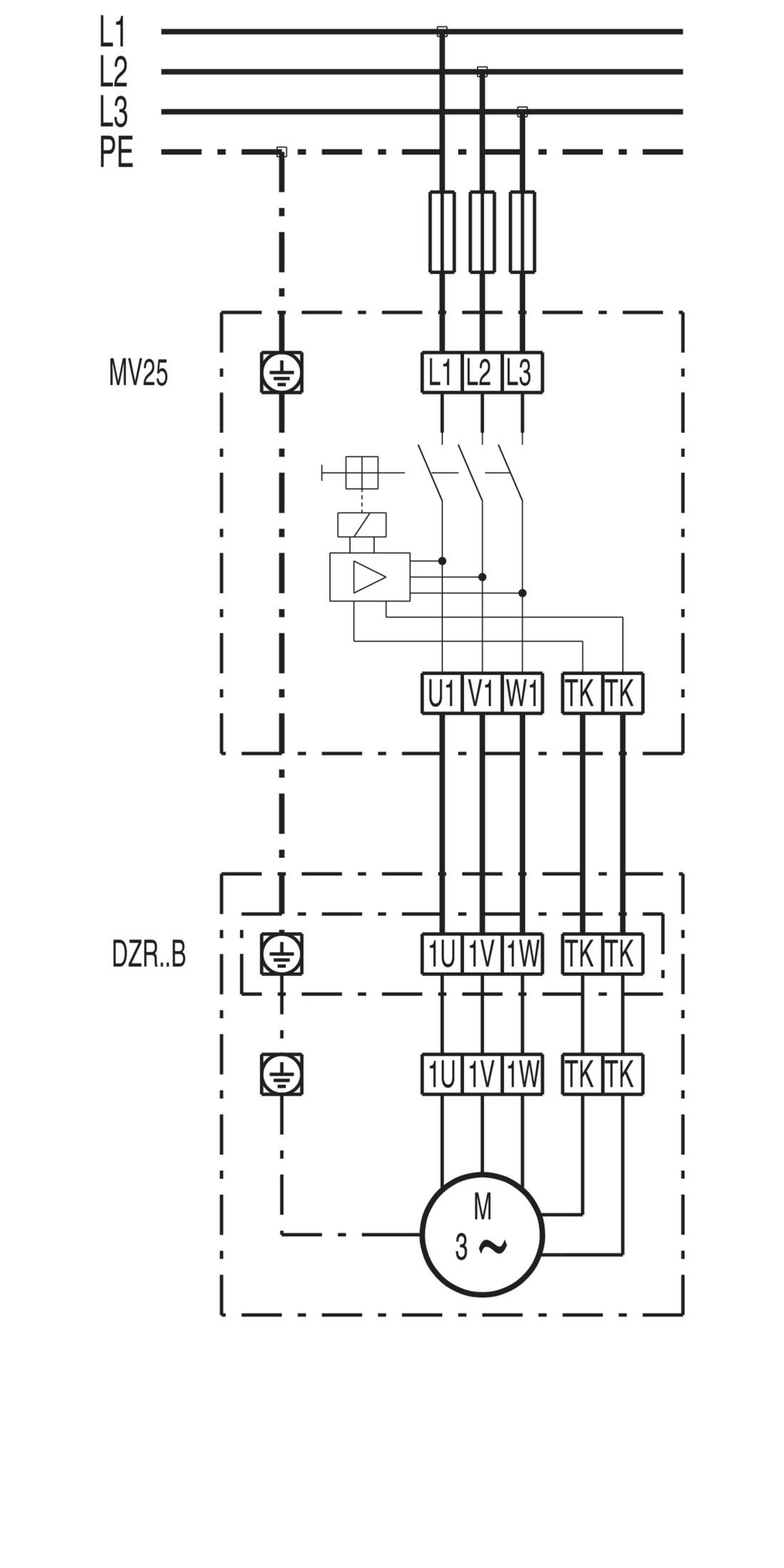
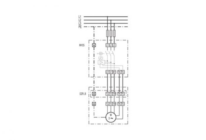
هواکش داکتی مایکو، قابل استفاده در واحد ماشین آلات، نمایشگاه، دفتر فرمان، کارگاه، سایت تولید هستند؛ در هر موقعیتی قابل نصب بوده و دارای 8 پره فایبرگلاسی پلی آمید هستند که بطور دینامیکی در دوسطح بالانس شده است. تهویه این دسته هواکش ها بصورت دوجانبه مکشی و دهشی است که در حالت دهشی ظرفیت کاری آنها تا 35 درصد کاهش می یابد. این نوع هواکش‌ها برای تهویه بخار هوای اشباع مناسب نمی باشد. محصولات این دسته دارای محافظ اضافه بار حرارتی بعنوان مشخصه اسناندارد هستند. ترمینال اتصالات بدون پتانسیل می باشد که باید به سوییچ موتور محافظ یا مدار کنترل یک کنتاکتور متصل گردد. درجه حفاظتی این دسته در برابر نفوذ آب IP55 است بجز EZR … D که IP54 می باشد.


ویژگی‌ها

  سایز قطر خروجی 40 سانتیمتر

  امکان کارکرد مکشی دهشی، مناسب برای تخلیه و تهویه هوا

  مقاوم در برابر نفوذ آب (IP 55)

  در حالت دهشی، حجم هوای خروجی 35 درصد نسبت به حالت مکشی کاهش می یابد.

  حفاظت در برابر اضافه بار حرارتی

  مناسب برای کارکرد دائم

  موتور مقاوم کم‌مصرف بلبرینگی و بی‌نیاز به تعمیر و نگهداری

  پروانه آن دارای 8 پره فایبرگلاسی پلی آمید می باشد که بطور دینامیکی در دوسطح بالانس شده است.

  سوراخ فلنج در مدل های DZR 56/6 B و DZR 56/4 B مطابق با استاندارد DIN EN 12220:1998 می باشد.

  استفاده از این هواکش برای تخلیه بخار هوای اشباع مناسب نمی باشد.


مشخصات فنی

سایز نامی:

400 میلیمتر

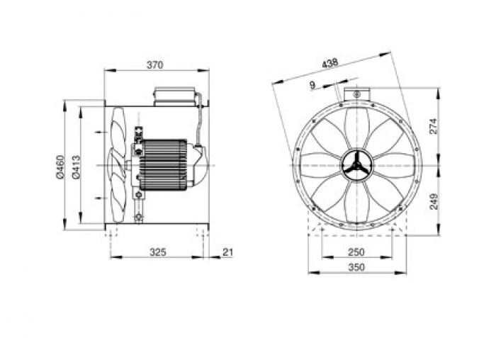
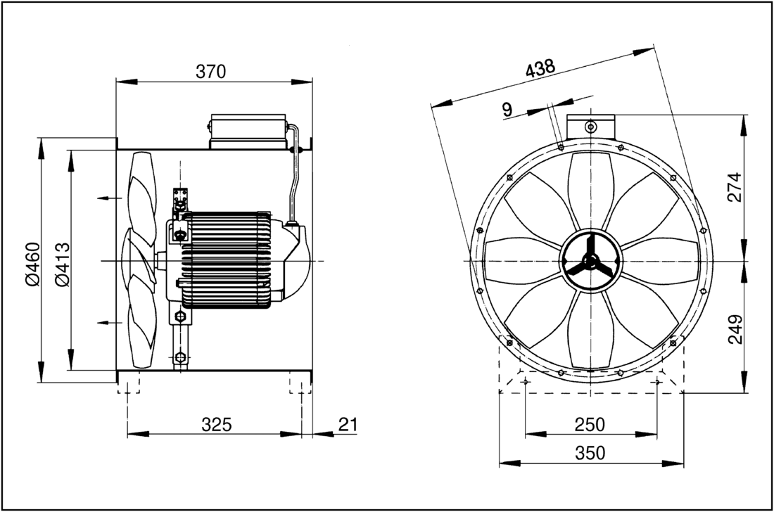
ابعاد ظاهری:

460 * 523 میلیمتر

نوع کارکرد (مکش / دهش):

مکش / دهش

حداکثر حجم جریان هوا:

4.590 مترمکعب در ساعت

ولتاژ:

400 ولت (سه‌فاز)

نوع ولتاژ:

جریان متناوب

فرکانس:
50 هرتز
حداکثر مصرف انرژی:

230 وات در شرایط کارکرد بهینه

حداکثر مصرف جریان:

0.7 آمپر

حداکثر دور موتور:

1.474 دور در دقیقه

فشار نامی:

98 پاسکال در شرایط کارکرد بهینه

کنترل پذیری سرعت:

دارد

نوع پروانه (پیشران):

اکسیال (محوری)

محل نصب:

داخل داکت

نوع نصب:

توکار

درجه حفاظتی (در برابر نفوذ آب):

IP 55 (مقاوم در برابر جریان کم‌فشار آب از تمام جهات)

میزان صدا (فشار صوتی):

76 دسیبل

حداکثر دمای هوای در جریان:

60 درجه سانتیگراد

جنس بدنه:

استیل گالوانیزه

وزن:

13.8 گیلوگرم

اطلاعات فنی مطابق با ErP در نقطه بهترین بازدهی (BEP)

بازدهی کلی η:

54.5 درصد

طبقه‌بندی اندازه‌گیری:

D

طبقه‌بندی بازدهی:

کلی

سطح بازدهی N:

65.1 درصد

نیاز به درایو سرعت متغیر (VSD):

ندارد

توان/ حجم هوا/ فشار/ دور موتور (همگی در نقطه بهترین بازدهی):

0.205 کیلو وات/ 4.020 متر مکعب در ساعت/ 100 پاسکال/ 1.465 دور در دقیقه


نمودار بازدهی

نمودار بازدهی

جزئیات سربندی

جزئیات سربندی

 

شـرکت مهندسـی- بازرگانی ژفــــکر
بـا 50 ســـــــــــال ســـــــابـقه

سیستم مدیریت هوشمند ساختمان
تـأسیســات و تجهـیزات الکتریـکی

 


 
عرضه مستقیم تجهیزات الکتریکی و خدمات تأسیساتی            www.jafkar.com 
تحت لیسـانس کمپـانی‌هــای Maico ،Gira و این آدرس ایمیل توسط spambots حفاظت می شود. برای دیدن شما نیاز به جاوا اسکریپت دارید           Mobotix

نشانی دفتر: تهران، بزرگراه صدر، خروجی کاوه جنوب، بن‌بست نصر، پ ۳، واحد ۱
تلفن: ۲۲۰۰۲۴۳۵   |   نمابر: ۲۲۶۲۲۴۳۵   |  پیامک/ ارتباط مجازی: ۰۹۱۰۸۹۴۰۳۳۵

                 

      

English                                                   رحمت خدا بر کسی که وقتی کاری می‌کند، عالی انجامش دهد.

                                                              الّلهُــمَّ صَـلِّ عَلـی مُحَمَّـــد وَآلِ مُحَمَّــــد وَ عَجِّــل فَرَجَهُـــم

      Gira     Maico    Mobotix