هواکش محوری DAS 90/4؛ کنترل سرعت، IP 55

هواکش‌های محوری دیواری توکار

هواکش دیواری سایز بزرگ؛ سه فاز
قابل استفاده در تأسیسات تولیدی، سالن مونتاژ، انبار، ساختمان صنعتی، کارخانه و محل کار

هواکش دیواری مایکو، قابل استفاده در تأسیسات تولیدی، سالن مونتاژ، انبار، ساختمان صنعتی، کارخانه و محل کار هستند؛ در هر موقعیتی قابل نصب بوده و دارای 8 تا 10 پره از جنس پلاستیک فشرده هستند که بطور دینامیکی در دوسطح بالانس شده است. این هواکش‌ها در قسمت ورودی هوا دارای شبکه های زرد رنگ محافظ‌اند که طبق استاندارد DIN EN 13857 از برخورد تصادفی جلوگیری می کند. با استفاده از مبدل فرکانسی MFU امکان کنترل سرعت این دسته وجود دارد. این نوع هواکش‌ها برای تهویه بخار هوای اشباع مناسب نمی باشد. مشتری باید بطور جداگانه محافظ اضافه بار حرارتی را تهیه نماید. ظرفیت کاری این سری هواکش از 10.800 تا 72.000 متر مکعب برساعت و درجه حفاظتی آنها در برابر نفوذ آب IP 55 می باشد.


ویژگی‌ها

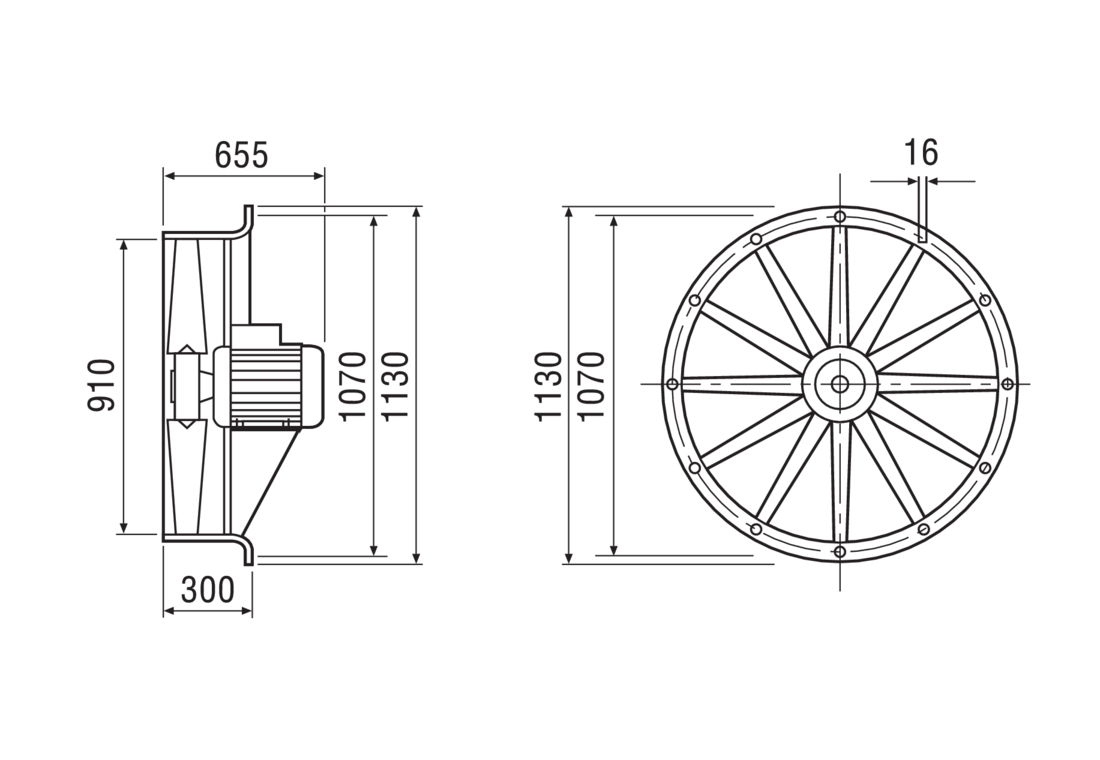
  سایز قطر حلقه 90 سانتیمتر

  مقاوم در برابر نفوذ آب (IP 55)

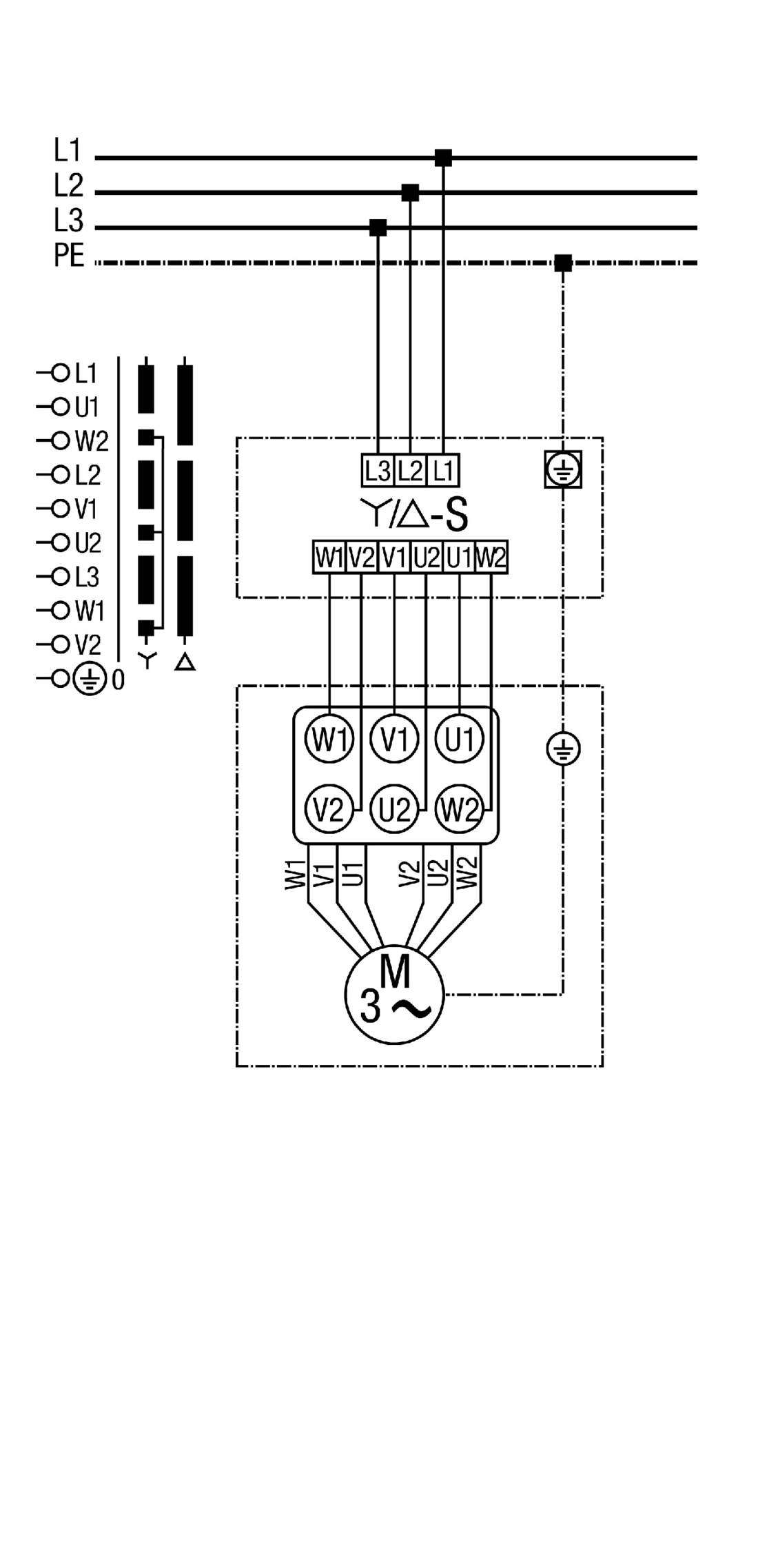
  امکان کنترل سرعت با استفاده از مبدل فرکانسی (MFU)

  حفاظت در برابر اضافه بار حرارتی (کلید حفاظتی باید توسط مشتری تهیه گردد)

  دارای 8 تا 10 پروانه از جنس پلاستیک فشرده که بطور دینامیکی در دوسطح بالانس شده است.

  استفاده از این هواکش برای تخلیه بخار هوای اشباع مناسب نمی باشد.


مشخصات فنی

سایز نامی:

900 میلیمتر

ابعاد ظاهری:

1130 * 1130 میلیمتر

نوع کارکرد (مکش / دهش):

مکش

حداکثر حجم جریان هوا:

45.000 مترمکعب در ساعت

ولتاژ:

400 ولت (سه فاز)

نوع ولتاژ:

جریان متناوب

فرکانس:
50 هرتز
حداکثر مصرف انرژی:

5945 وات

حداکثر مصرف جریان:

15.4 آمپر

حداکثر دور موتور:

1.470 دور در دقیقه

فشار نامی:

591 پاسکال در شرایط کارکرد بهینه

کنترل‌پذیری سرعت:

دارد

نوع پروانه (پیشران):

اکسیال (محوری)

محل نصب:

دیوار

نوع نصب:

روکار

درجه حفاظتی (در برابر نفوذ آب):

IP 55 (مقاوم در برابر جریان کم‌فشار آب از تمام جهات)

میزان صدا (فشار صوتی):

98 دسیبل

حداکثر دمای هوای در جریان:

20- تا 50 درجه سانتیگراد

جنس بدنه:

ورق استیل، جلا خورده

وزن:

100 گیلوگرم

اطلاعات فنی مطابق با ErP در نقطه بهترین بازدهی (BEP)

بازدهی کلی η:

62 درصد

طبقه‌بندی اندازه‌گیری:

C

طبقه‌بندی بازدهی:

استاتیک

سطح بازدهی N:

63 درصد

نیاز به درایو سرعت متغیر (VSD):

ندارد

توان/ حجم هوا/ فشار/ دور موتور (همگی در نقطه بهترین بازدهی):

  5.945 کیلو وات/ 22.300 متر مکعب در ساعت/ 591 پاسکال/ 1.480 دور در دقیقه


نمودار بازدهی

جزئیات سربندی

جزئیات ابعاد

اطلاعات تکمیلی

 

شـرکت مهندسـی- بازرگانی ژفــــکر
بـا 50 ســـــــــــال ســـــــابـقه

سیستم مدیریت هوشمند ساختمان
تـأسیســات و تجهـیزات الکتریـکی

 


 
عرضه مستقیم تجهیزات الکتریکی و خدمات تأسیساتی            www.jafkar.com 
تحت لیسـانس کمپـانی‌هــای Maico ،Gira و این آدرس ایمیل توسط spambots حفاظت می شود. برای دیدن شما نیاز به جاوا اسکریپت دارید           Mobotix

نشانی دفتر: تهران، بزرگراه صدر، خروجی کاوه جنوب، بن‌بست نصر، پ ۳، واحد ۱
تلفن: ۲۲۰۰۲۴۳۵   |   نمابر: ۲۲۶۲۲۴۳۵   |  پیامک/ ارتباط مجازی: ۰۹۱۰۸۹۴۰۳۳۵

                 

      

English                                                   رحمت خدا بر کسی که وقتی کاری می‌کند، عالی انجامش دهد.

                                                              الّلهُــمَّ صَـلِّ عَلـی مُحَمَّـــد وَآلِ مُحَمَّــــد وَ عَجِّــل فَرَجَهُـــم

      Gira     Maico    Mobotix