هواکش محوری EZF 35/4 B؛ کارکرد مکشی و دهشی

هواکش‌های محوری دیواری توکار

هواکش دیواری توکار، امکان کارکرد مکشی و دهشی
قابل استفاده در رختکن، اتاق فرمان، رستوران، گاراژ و باشگاه بدنسازی

هواکش دیواری مایکو، قابل استفاده در رختکن، اتاق فرمان، رستوران، گاراژ و باشگاه بدنسازی هستند؛ در هر موقعیتی قابل نصب بوده و دارای 8 پره فایبرگلاسی پلی آمید هستند که بطور دینامیکی در دوسطح بالانس شده است. این هواکش‌ها در قسمت ورودی هوا دارای شبکه های زرد رنگ محافظ‌اند که طبق استاندارد DIN EN 13857 از برخورد تصادفی جلوگیری می کند. بجز مدل EZF 35/4B امکان کنترل سرعت بقیه مدل‌ها وجود دارد. امکان معکوس کردن جهت گردش موتور، بجز در هواکش هایی که دارای موتور قطب سایه دار اند، وجود دارد. این نوع هواکش‌ها برای تهویه بخار هوای اشباع مناسب نمی باشد. بجز مدل های DZF .. /.. D و موتور های قطب متغیر، بقیه محصولات این دسته دارای محافظ اضافه بار حرارتی بعنوان مشخصه استاندارد هستند. ظرفیت کاری این سری هواکش از 500 تا 3800 متر مکعب برساعت است.


ویژگی‌ها

  سایز قطر خروجی 35 سانتیمتر

  امکان کارکرد مکشی دهشی، مناسب برای تخلیه و تهویه هوا (بجز در هواکش‌های با موتور قطب سایه‌دار)

  مقاوم در برابر نفوذ آب (IP 55)

  در حالت دهشی، حجم هوای خروجی 35 درصد نسبت به حالت مکشی کاهش می یابد.

  حفاظت در برابر اضافه بار حرارتی

  مناسب برای کارکرد دائم

  موتور مقاوم کم‌مصرف بلبرینگی و بی‌نیاز به تعمیر و نگهداری

  پروانه آن دارای 8 پره فایبرگلاسی پلی آمید می باشد که بطور دینامیکی در دوسطح بالانس شده است.

  استفاده از این هواکش برای تخلیه بخار هوای اشباع مناسب نمی باشد.


مشخصات فنی

سایز نامی:

350 میلیمتر

ابعاد ظاهری:

428 * 428 میلیمتر

نوع کارکرد (مکش / دهش):

مکش / دهش

حداکثر حجم جریان هوا:

2.750 مترمکعب در ساعت

ولتاژ:
230 ولت (تکفاز)
نوع ولتاژ:

جریان متناوب

فرکانس:
50 هرتز
حداکثر مصرف انرژی:

120 وات

حداکثر مصرف جریان:

0.75 آمپر

حداکثر دور موتور:

1.461 دور در دقیقه

فشار نامی:

57 پاسکال در شرایط کارکرد بهینه

نوع پروانه (پیشران):

اکسیال (محوری)

محل نصب:
دیوار و سقف
نوع نصب:

توکار

درجه حفاظتی (در برابر نفوذ آب):

IP 55 (مقاوم در برابر جریان کم‌فشار آب از تمام جهات)

میزان صدا (فشار صوتی):

72 دسیبل

حداکثر دمای هوای در جریان:

20- تا 80 درجه سانتیگراد

جنس بدنه:

استیل گالوانیزه

وزن:

7.4 گیلوگرم


نمودار بازدهی

نمودار بازدهی

جزئیات ابعاد

جزئیات سربندی

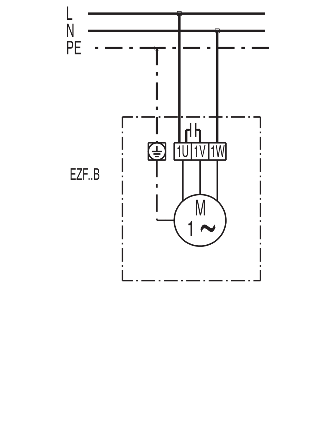
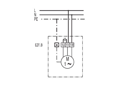
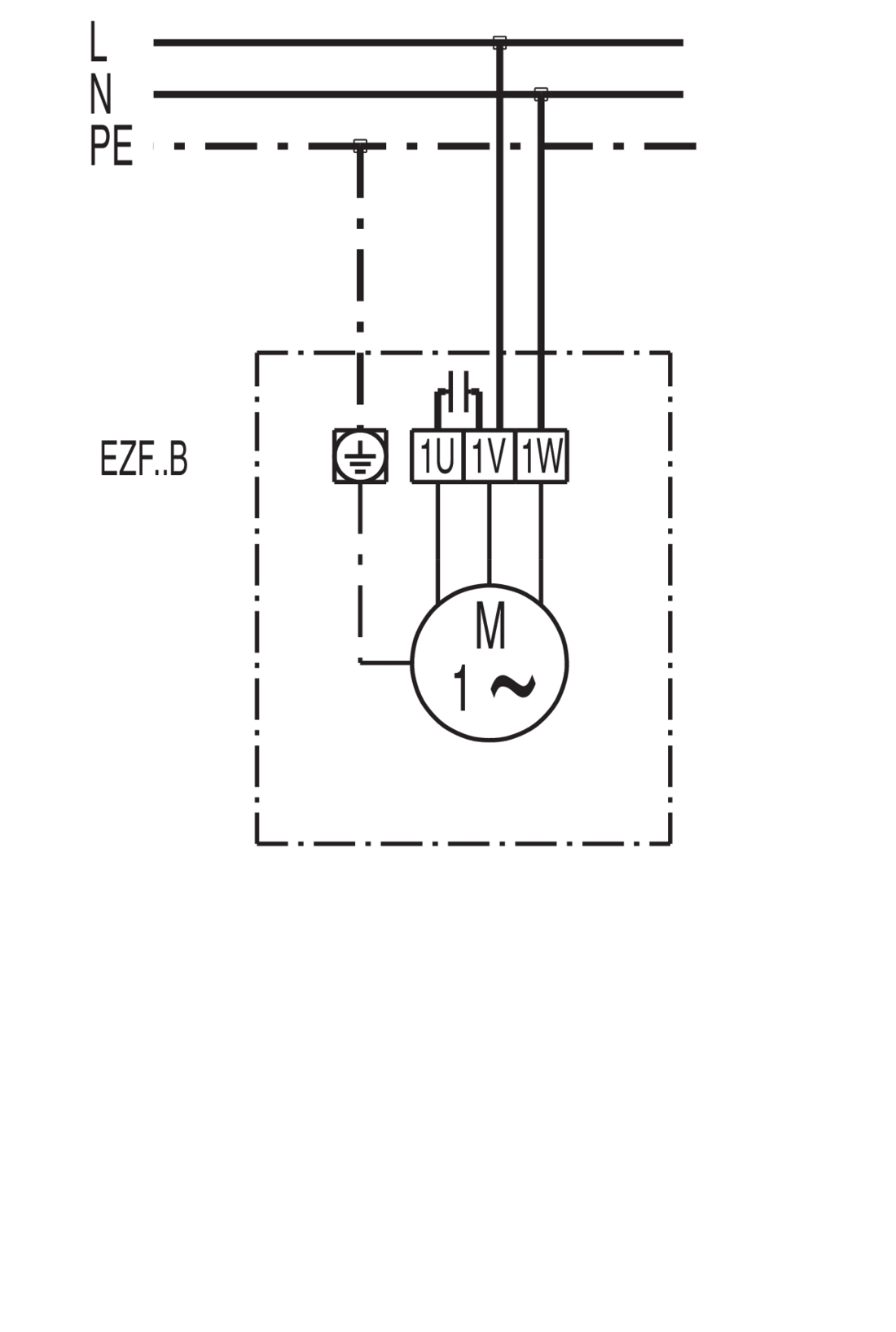
مدار گردش چپ‌گرد (تک سرعته)

مدار گردش راست‌گرد (تک سرعته)

 

شـرکت مهندسـی- بازرگانی ژفــــکر
بـا 50 ســـــــــــال ســـــــابـقه

سیستم مدیریت هوشمند ساختمان
تـأسیســات و تجهـیزات الکتریـکی

 


 
عرضه مستقیم تجهیزات الکتریکی و خدمات تأسیساتی            www.jafkar.com 
تحت لیسـانس کمپـانی‌هــای Maico ،Gira و این آدرس ایمیل توسط spambots حفاظت می شود. برای دیدن شما نیاز به جاوا اسکریپت دارید           Mobotix

نشانی دفتر: تهران، بزرگراه صدر، خروجی کاوه جنوب، بن‌بست نصر، پ ۳، واحد ۱
تلفن: ۲۲۰۰۲۴۳۵   |   نمابر: ۲۲۶۲۲۴۳۵   |  پیامک/ ارتباط مجازی: ۰۹۱۰۸۹۴۰۳۳۵

                 

      

English                                                   رحمت خدا بر کسی که وقتی کاری می‌کند، عالی انجامش دهد.

                                                              الّلهُــمَّ صَـلِّ عَلـی مُحَمَّـــد وَآلِ مُحَمَّــــد وَ عَجِّــل فَرَجَهُـــم

      Gira     Maico    Mobotix