هواکش محوری EZQ 30/2 B؛ کارکرد مکشی و دهشی، قاب مربعی

هواکش‌های محوری دیواری استاندارد

هواکش دیواری روکار، امکان کارکرد مکشی و دهشی
قابل استفاده در تاسیسات تولیدی، ساختمان های تجاری، گاراژ
این هواکش با قاب گرد با نام EZS 30/2 B ارائه می‌گردد

هواکش دیواری مایکو در هر موقعیتی قابل نصب بوده و دارای 8 تا 10 پره فایبرگلاسی پلی آمید هستند که بطور دینامیکی در دوسطح بالانس شده است. این هواکش‌ها در قسمت ورودی هوا دارای شبکه های زرد رنگ محافظ‌اند که طبق استاندارد DIN EN 13857 از برخورد تصادفی جلوگیری می کند. بجز مدل های  EZQ 45/6 B و EZS 45/6 B، امکان کنترل سرعت بقیه مدل‌ها وجود دارد. امکان معکوس کردن جهت گردش موتور، بجز در هواکش هایی که دارای موتور قطب سایه دار اند، وجود دارد. این نوع هواکش‌ها برای تهویه بخار هوای اشباع مناسب نمی باشد. این دسته محصولات دارای محافظ اضافه بار حرارتی بعنوان مشخصه اسناندارد هستند. ترمینال های اتصالات بدون پتانسیل هستند که باید به سوییچ محافظ موتور یا مدار کنترل کنتاکتور متصل گردد.
هواکش های محوری سری EZQ - EZS  با کیفیت ممتاز و مشخصات فنی قابل اعتماد؛ با مواد مرغوب بدنه که مانع از تغییر رنگ و کهنه شدن می‌گردد، ساخته شده‌اند. این دستگاه امنیت بالایی در برابر خرابی و ذوب شدن دارد (بی‌نیاز از پشتیبانی و سرویس، دارای موتور قوی بلبرینگی بی‌نیاز از روغن‌کاری و امکان حفاظت در برابر اضافه بار حرارتی بعنوان مشخصه استاندارد). این هواکش ها در سایز های 20 تا 50 سانتی متر تولید که ظرفیت کاری آنها از 475 تا 6.650 متر مکعب بر ساعت است. برای حفاظت محصول و ایمنی مصرف‌کننده این دسته هواکش ها در برابر نفوذ آب (در اکثر موارد IP55 و در موارد محدودی IP54) مقاوم هستند.


ویژگی‌ها

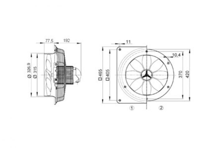
  سایز قطر خروجی 30 سانتیمتر

  امکان کارکرد مکشی دهشی، مناسب برای تخلیه و تهویه هوا

  مقاوم در برابر نفوذ آب (IP 55)

  در حالت دهشی، حجم هوای خروجی 35 درصد نسبت به حالت مکشی کاهش می یابد.

  حفاظت در برابر اضافه بار حرارتی

  مناسب برای کارکرد دائم

  موتور مقاوم کم‌مصرف بلبرینگی و بی‌نیاز به تعمیر و نگهداری

  پروانه آن دارای 8 پره فایبرگلاسی پلی آمید می باشد که بطور دینامیکی در دوسطح بالانس شده است.

  استفاده از این هواکش برای تخلیه بخار هوای اشباع مناسب نمی باشد.


مشخصات فنی

سایز نامی:

300 میلیمتر

ابعاد ظاهری:

465 * 465 میلیمتر

نوع کارکرد (مکش / دهش):

مکش / دهش

حداکثر حجم جریان هوا:

3.460 مترمکعب در ساعت

ولتاژ:
230 ولت (تکفاز)
نوع ولتاژ:

جریان متناوب

فرکانس:
50 هرتز
حداکثر مصرف انرژی:

350 وات در شرایط کارکرد بهینه

حداکثر مصرف جریان:

2.7 آمپر

حداکثر دور موتور:

2.881 دور در دقیقه

فشار نامی:

170 پاسکال در شرایط کارکرد بهینه

کنترل پذیری سرعت:

دارد

نوع پروانه (پیشران):

اکسیال (محوری)

محل نصب:
دیوار و سقف
نوع نصب:

روکار

درجه حفاظتی (در برابر نفوذ آب):

IP 55 (مقاوم در برابر جریان کم‌فشار آب از تمام جهات)

میزان صدا (فشار صوتی):

75 دسیبل

حداکثر دمای هوای در جریان:

20- تا 80 درجه سانتیگراد

جنس بدنه:

استیل گالوانیزه

وزن:

11.7 گیلوگرم

اطلاعات فنی مطابق با ErP در نقطه بهترین بازدهی (BEP)

بازدهی کلی η:

29.8 درصد

طبقه‌بندی اندازه‌گیری:

A

طبقه‌بندی بازدهی:

استاتیک

سطح بازدهی N:

 40.8 درصد

نیاز به درایو سرعت متغیر (VSD):

دارای VSD یکپارچه

توان/ حجم هوا/ فشار/ دور موتور (همگی در نقطه بهترین بازدهی):

0.185 کیلو وات/ 1.470 متر مکعب در ساعت/ 135 پاسکال/ 2.770 دور در دقیقه


نمودار بازدهی

نمودار بازدهی

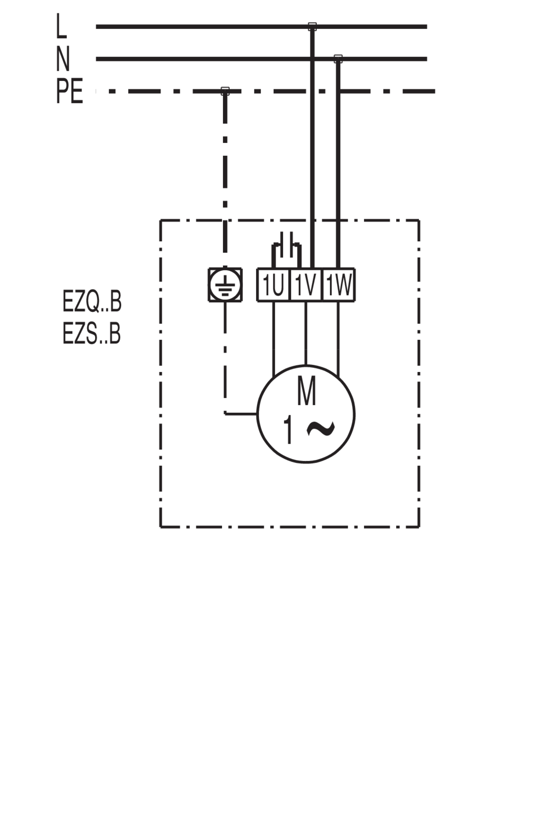
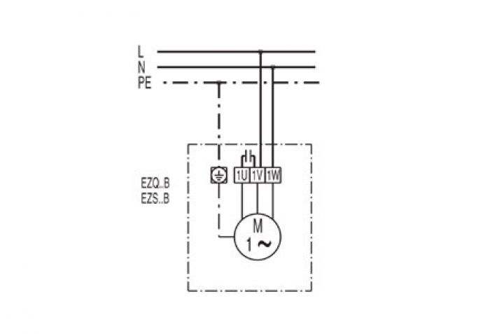
جزئیات سربندی

جزییات سربندی

 

شـرکت مهندسـی- بازرگانی ژفــــکر
بـا 45 ســـــــــــال ســـــــابـقه

سیستم مدیریت هوشمند ساختمان
تـأسیســات و تجهـیزات الکتریـکی

 


 
عرضه مستقیم تجهیزات الکتریکی و خدمات تأسیساتی            www.jafkar.com 
تحت لیسـانس کمپـانی‌هــای Maico ،Gira و این آدرس ایمیل توسط spambots حفاظت می شود. برای دیدن شما نیاز به جاوا اسکریپت دارید           Mobotix

نشانی دفتر: تهران، بزرگراه صدر، خروجی کاوه جنوب، بن‌بست نصر، پ ۳، واحد ۱
تلفن: ۲۲۰۰۲۴۳۵   |   نمابر: ۲۲۶۲۲۴۳۵   |  پیامک/ ارتباط مجازی: ۰۹۱۰۸۹۴۰۳۳۵

                 

      

English                                                   رحمت خدا بر کسی که وقتی کاری می‌کند، عالی انجامش دهد.

                                                              الّلهُــمَّ صَـلِّ عَلـی مُحَمَّـــد وَآلِ مُحَمَّــــد وَ عَجِّــل فَرَجَهُـــم

      Gira     Maico    Mobotix