پنکه سقفی EC 90 B

هواکش‌های محوری دیواری استاندارد

هواکش سقفی محوری برای اتاق‌های با سقف بلند، ظرفیت متوسط گردش هوا، قطر پروانه 90 سانتیمتر
قابل استفاده برای اهداف تجاری، اماکن تولیدی، رستوران‌ها، کارگاه‌ها، نمایشگاه‌ها


پنکه‌های سری EC با کیفیت ممتاز و مشخصات فنی قابل اعتماد ارائه می‌گردند. این پنکه‌ها دارای عمر طولانی واقعی هستند. جنس بدنه از مواد مرغوبی است که مانع کهنه شدن و تغییر رنگ می‌گردد. این محصول باتوجه به موتور بلبرینگی، از هرگونه پشتیبانی و سرویس بی‌نیاز است.


ویژگی‌ها

  قطر پروانه‌ها 90 سانتیمتر

  مناسب برای نصب سقفی

  حداقل ارتقاع نصب 2.3 متر

  توانمند برای گردش هوای متوسط

  توزیع حرارت با توجه به گردش مناسب هوا

  دارای سه پروانه از جنس پلاستیک فشرده

  حفاظت در برابر اضافه بار حرارتی

  موتور مقاوم کم‌مصرف بلبرینگی و بی‌نیاز به تعمیر و نگهداری


مشخصات فنی

سایز نامی:

900 میلیمتر

ابعاد ظاهری:

900 * 900 میلیمتر

نوع کارکرد:

گردش هوا

حداکثر حجم جریان هوا:

11.000 مترمکعب در ساعت

ولتاژ:
230 ولت (تکفاز)
نوع ولتاژ:

جریان متناوب

فرکانس:
50 هرتز
حداکثر مصرف انرژی:

116 وات

حداکثر مصرف جریان:

0.55 آمپر

حداکثر دور موتور:

360 دور در دقیقه

نوع پروانه (پیشران):

اکسیال (محوری)

محل نصب:

سقفی

نوع نصب:

روکار

درجه حفاظتی (در برابر نفوذ آب):

IP 20 (در برابر نفوذ آب مقاوم نیست)

میزان صدا (فشار صوتی):

62 دسیبل

حداکثر دمای هوای در جریان:

55 درجه سانتیگراد

وزن:

5.3 کیلوگرم


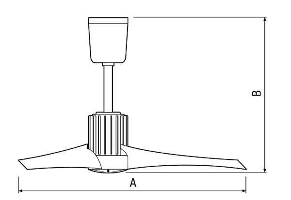
جزئیات ابعاد

A: 900 mm
B: 450 mm

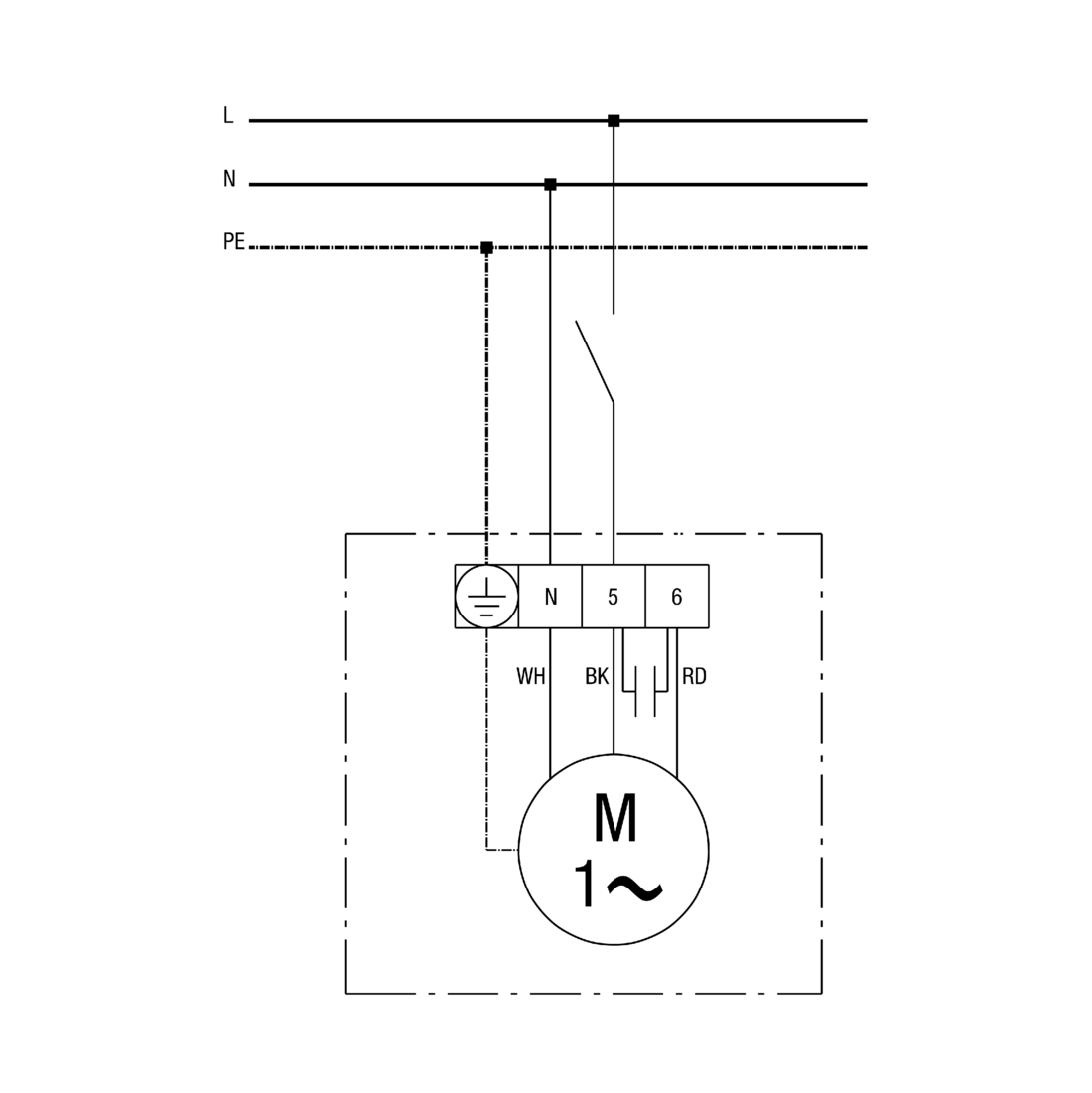
جزئیات سربندی

 

شـرکت مهندسـی- بازرگانی ژفــــکر
بـا 50 ســـــــــــال ســـــــابـقه

سیستم مدیریت هوشمند ساختمان
تـأسیســات و تجهـیزات الکتریـکی

 


 
عرضه مستقیم تجهیزات الکتریکی و خدمات تأسیساتی            www.jafkar.com 
تحت لیسـانس کمپـانی‌هــای Maico ،Gira و این آدرس ایمیل توسط spambots حفاظت می شود. برای دیدن شما نیاز به جاوا اسکریپت دارید           Mobotix

نشانی دفتر: تهران، بزرگراه صدر، خروجی کاوه جنوب، بن‌بست نصر، پ ۳، واحد ۱
تلفن: ۲۲۰۰۲۴۳۵   |   نمابر: ۲۲۶۲۲۴۳۵   |  پیامک/ ارتباط مجازی: ۰۹۱۰۸۹۴۰۳۳۵

                 

      

English                                                   رحمت خدا بر کسی که وقتی کاری می‌کند، عالی انجامش دهد.

                                                              الّلهُــمَّ صَـلِّ عَلـی مُحَمَّـــد وَآلِ مُحَمَّــــد وَ عَجِّــل فَرَجَهُـــم

      Gira     Maico    Mobotix