هواکش گلخانه‌ای EZG 35/4 B

هواکش‌های محوری دیواری استاندارد

قابل نصب روکار، مناسب برای گردش هوا، مکشی و دهشی
قابل استفاده در گلخانه ها، گرم خانه ها و محیط های تولیدی


هواکش‌های سری EZG با کیفیت ممتاز و مشخصات فنی قابل اعتماد ارائه می‌گردند. این هواکش‌ها دارای عمر طولانی واقعی هستند. جنس بدنه از مواد مرغوبی است که مانع کهنه شدن و تغییر رنگ می‌گردد. برای حفاظت محصول و ایمنی مصرف‌کننده، در برابر نفوذ آب مقاوم (IP 55) است و همچنین باتوجه به موتور بلبرینگی، از هرگونه پشتیبانی و سرویس بی‌نیاز است. همچنین با استفاده از تجهیزات جانبی مناسب سرعت هواکش قابل کنترل است.


ویژگی‌ها

  سایز قطر لوله 35 سانتیمتر

  امکان کنترل سرعت

  امکان کارکرد مکشی دمشی، مناسب برای گردش هوا

  مقاوم در برابر نفوذ آب (IP 55)

  حفاظت در برابر اضافه بار حرارتی

  مناسب برای کارکرد دائم

  موتور مقاوم کم‌مصرف بلبرینگی و بی‌نیاز به تعمیر و نگهداری


مشخصات فنی

سایز نامی:

363 میلیمتر

ابعاد ظاهری:

420 * 420 میلیمتر

نوع کارکرد (مکش / دهش):

مکش / دهش (گردش هوا)

حداکثر حجم جریان هوا:

2400 مترمکعب در ساعت

ولتاژ:
230 ولت (تکفاز)
نوع ولتاژ:

جریان متناوب

فرکانس:
50 هرتز
حداکثر مصرف انرژی:

120 وات

حداکثر مصرف جریان:

0.7 آمپر

حداکثر دور موتور:

1.425  دور در دقیقه

نوع پروانه (پیشران):

اکسیال (محوری)

محل نصب:

متصل به آویز (به صورت معلق)

نوع نصب:

روکار

درجه حفاظتی (در برابر نفوذ آب):

IP55 (مقاوم در برابر جریان کم‌فشار آب از تمام جهات)

میزان صدا (فشار صوتی):

73 دسیبل

حداکثر دمای هوای در جریان:

20- تا 60 درجه سانتیگراد

جنس بدنه:
پلاستیک (مواد سنتتیک مقاوم)
وزن:

9.1 کیلوگرم


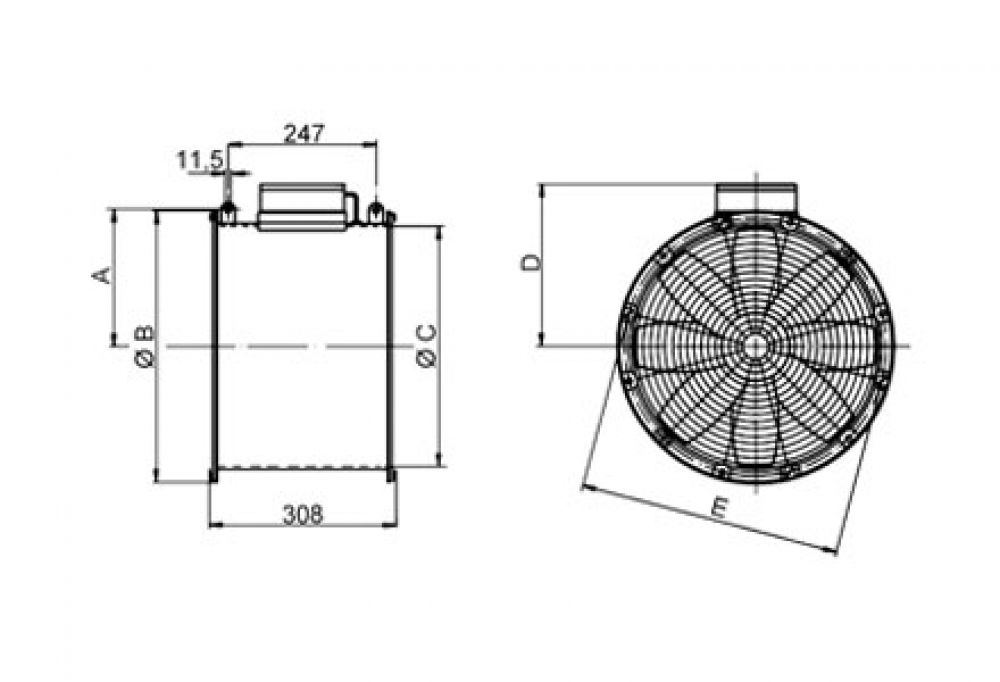
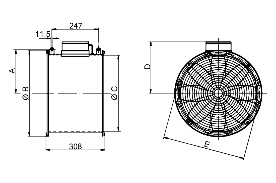
جزئیات ابعاد

A: 207 mm
B: 420 mm
C: 363 mm
D: 248 mm
E: 395 mm

 

شـرکت مهندسـی- بازرگانی ژفــــکر
بـا 50 ســـــــــــال ســـــــابـقه

سیستم مدیریت هوشمند ساختمان
تـأسیســات و تجهـیزات الکتریـکی

 


 
عرضه مستقیم تجهیزات الکتریکی و خدمات تأسیساتی            www.jafkar.com 
تحت لیسـانس کمپـانی‌هــای Maico ،Gira و این آدرس ایمیل توسط spambots حفاظت می شود. برای دیدن شما نیاز به جاوا اسکریپت دارید           Mobotix

نشانی دفتر: تهران، بزرگراه صدر، خروجی کاوه جنوب، بن‌بست نصر، پ ۳، واحد ۱
تلفن: ۲۲۰۰۲۴۳۵   |   نمابر: ۲۲۶۲۲۴۳۵   |  پیامک/ ارتباط مجازی: ۰۹۱۰۸۹۴۰۳۳۵

                 

      

English                                                   رحمت خدا بر کسی که وقتی کاری می‌کند، عالی انجامش دهد.

                                                              الّلهُــمَّ صَـلِّ عَلـی مُحَمَّـــد وَآلِ مُحَمَّــــد وَ عَجِّــل فَرَجَهُـــم

      Gira     Maico    Mobotix