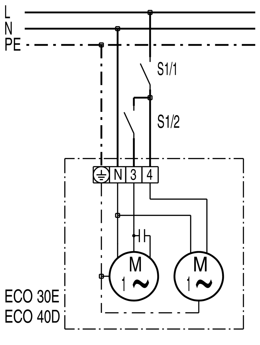
پنکه دیواری چرخان ECO-40 D

هواکش‌های محوری دیواری استاندارد

پنکه محوری صنعتی چرخان، قابل نصب روی دیوار، قطر پروانه 40 سانتی‌متر
قابل استفاده برای اهداف تجاری، اماکن تولیدی، رستوران‌ها، کارگاه‌ها، نمایشگاه‌ها


پنکه‌های سری ECO با کیفیت ممتاز و مشخصات فنی قابل اعتماد ارائه می‌گردند. این پنکه‌ها دارای عمر طولانی واقعی هستند. جنس بدنه از مواد مرغوبی است که مانع کهنه شدن و تغییر رنگ می‌گردد. این محصول باتوجه به موتور بلبرینگی، از هرگونه پشتیبانی و سرویس بی‌نیاز است.


ویژگی‌ها

  قطر پروانه‌ها 40 سانتیمتر

  مناسب برای نصب دیواری

  حداقل ارتقاع نصب 2.3 متر

  دارای پنجره کرومی محافظ برای جلوگیری از برخورد

  زاویه عمودی قابل تنظیم 55، 70، 90 و 115 درجه

  پنکه و مدار چرخش آن، بطور مجزا قابل روشن و خاموش شدن هستند

  حفاظت در برابر اضافه بار حرارتی

  موتور مقاوم کم‌مصرف بلبرینگی و بی‌نیاز به تعمیر و نگهداری


مشخصات فنی

سایز نامی:

400 میلیمتر

ابعاد ظاهری:

450 * 450 میلیمتر

نوع کارکرد:

گردش هوا

حداکثر حجم جریان هوا:

4.500 مترمکعب در ساعت

ولتاژ:
230 ولت (تکفاز)
نوع ولتاژ:

جریان متناوب

فرکانس:
50 هرتز
حداکثر مصرف انرژی:

44 وات

حداکثر مصرف جریان:

0.25 آمپر

حداکثر دور موتور:

1.150 دور در دقیقه

نوع پروانه (پیشران):

اکسیال (محوری)

محل نصب:

دیواری (بصورت عمودی یا افقی)

نوع نصب:

روکار

درجه حفاظتی (در برابر نفوذ آب):

IP 20 (در برابر نفوذ آب مقاوم نیست)

میزان صدا (فشار صوتی):

65 دسیبل

حداکثر دمای هوای در جریان:

40 درجه سانتیگراد

وزن:

4 کیلوگرم


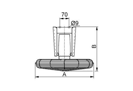
جزئیات ابعاد

A: 450 mm
B: 340 mm

جزئیات سربندی

 

شـرکت مهندسـی- بازرگانی ژفــــکر
بـا 50 ســـــــــــال ســـــــابـقه

سیستم مدیریت هوشمند ساختمان
تـأسیســات و تجهـیزات الکتریـکی

 


 
عرضه مستقیم تجهیزات الکتریکی و خدمات تأسیساتی            www.jafkar.com 
تحت لیسـانس کمپـانی‌هــای Maico ،Gira و این آدرس ایمیل توسط spambots حفاظت می شود. برای دیدن شما نیاز به جاوا اسکریپت دارید           Mobotix

نشانی دفتر: تهران، بزرگراه صدر، خروجی کاوه جنوب، بن‌بست نصر، پ ۳، واحد ۱
تلفن: ۲۲۰۰۲۴۳۵   |   نمابر: ۲۲۶۲۲۴۳۵   |  پیامک/ ارتباط مجازی: ۰۹۱۰۸۹۴۰۳۳۵

                 

      

English                                                   رحمت خدا بر کسی که وقتی کاری می‌کند، عالی انجامش دهد.

                                                              الّلهُــمَّ صَـلِّ عَلـی مُحَمَّـــد وَآلِ مُحَمَّــــد وَ عَجِّــل فَرَجَهُـــم

      Gira     Maico    Mobotix