هواکش دیواری محوری ENR 31

هواکش‌های محوری دیواری استاندارد

قابل نصب روکار، امکان کارکرد مکشی و دمشی
قابل استفاده در ادارات، فضاهای تجاری، رستوران‌ها و سایت‌های تولیدی


هواکش‌های سری ENR با کیفیت ممتاز و مشخصات فنی قابل اعتماد ارائه می‌گردند. این هواکش‌ها دارای عمر طولانی واقعی و صدای محدودی هستند. جنس بدنه از مواد مرغوبی است که مانع کهنه شدن و تغییر رنگ می‌گردد. برای حفاظت محصول و ایمنی مصرف‌کننده، در برابر نفوذ آب مقاوم (IP 44) است و همچنین باتوجه به موتور بلبرینگی، از هرگونه پشتیبانی و سرویس بی‌نیاز است. همچنین با استفاده از تجهیزات جانبی مناسب سرعت هواکش قابل کنترل است.


ویژگی‌ها

  سایز قطر لوله 31 سانتیمتر

  قابل استفاده در ادارات، اماکن تجاری، رستوران‌ها و اماکن تولیدی

  امکان کارکرد مکشی دمشی، مناسب برای تخلیه و تهویه هوا

  مقاوم در برابر نفوذ آب (IP 44)

  حفاظت در برابر اضافه بار حرارتی

  مناسب برای کارکرد دائم

  موتور مقاوم کم‌مصرف بلبرینگی و بی‌نیاز به تعمیر و نگهداری


مشخصات فنی

سایز نامی:

315 میلیمتر

ابعاد ظاهری:

445 * 445 میلیمتر

نوع کارکرد (مکش / دهش):

مکش / دهش

حداکثر حجم جریان هوا:

1500 مترمکعب در ساعت

ولتاژ:
230 ولت (تکفاز)
نوع ولتاژ:

جریان متناوب

فرکانس:
50 هرتز
حداکثر مصرف انرژی:

76 وات

حداکثر مصرف جریان:

0.33 آمپر

حداکثر دور موتور:

1.210  دور در دقیقه

نوع پروانه (پیشران):

اکسیال (محوری)

محل نصب:
دیوار و سقف
نوع نصب:

روکار

درجه حفاظتی (در برابر نفوذ آب):

IP 44 (مقاوم در برابر پاشیدن آب از تمام جهات)

میزان صدا (فشار صوتی):

57 دسیبل

حداکثر دمای هوای در جریان:
40 درجه سانتیگراد
جنس بدنه:
پلاستیک (مواد سنتتیک مقاوم)
وزن:

4.6 کیلوگرم


نمودار بازدهی

نمودار بازدهی

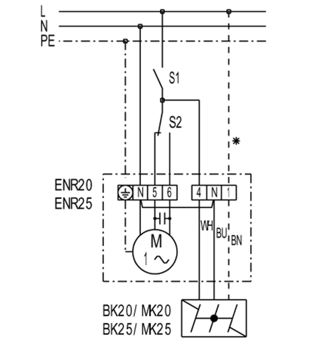
جزئیات سربندی


S1 - خاموش / روشن

S2 - مکش / دهش

ترمینال 5 - مکش هوا

ترمینال 6 - دهش هوا

جزئیات ابعاد

نمودار جزئیات ابعاد

اطلاعات تکمیلی

 

شـرکت مهندسـی- بازرگانی ژفــــکر
بـا 50 ســـــــــــال ســـــــابـقه

سیستم مدیریت هوشمند ساختمان
تـأسیســات و تجهـیزات الکتریـکی

 


 
عرضه مستقیم تجهیزات الکتریکی و خدمات تأسیساتی            www.jafkar.com 
تحت لیسـانس کمپـانی‌هــای Maico ،Gira و این آدرس ایمیل توسط spambots حفاظت می شود. برای دیدن شما نیاز به جاوا اسکریپت دارید           Mobotix

نشانی دفتر: تهران، بزرگراه صدر، خروجی کاوه جنوب، بن‌بست نصر، پ ۳، واحد ۱
تلفن: ۲۲۰۰۲۴۳۵   |   نمابر: ۲۲۶۲۲۴۳۵   |  پیامک/ ارتباط مجازی: ۰۹۱۰۸۹۴۰۳۳۵

                 

      

English                                                   رحمت خدا بر کسی که وقتی کاری می‌کند، عالی انجامش دهد.

                                                              الّلهُــمَّ صَـلِّ عَلـی مُحَمَّـــد وَآلِ مُحَمَّــــد وَ عَجِّــل فَرَجَهُـــم

      Gira     Maico    Mobotix