هواکش ضد انفجار محوری DZQ 40/4 B Ex e؛ کارکرد مکشی و دهشی، حداکثر دمای سطح تجهیزات تا °135 سانتیگراد

هواکش‌های محوری دیواری استاندارد

هواکش دیواری روکار ضدانفجار با استاندارد Ex II 2G Ex e IIB+H2 T4 Gb، دارای قاب مربعی
قابل استفاده در اماکن با خطر انفجار (زون 1 و 2)، فروشگاه های رنگ، اتاق های باتری، آزمایشگاه، محل کار
این هواکش با قاب گرد با نام DZS 40/4 B Ex e ارائه می‌گردد

سیستم‌های ضدانفجار مایکو دارای نمادهای استاندارد ATEX و IECEx است. مشخصه کلی  این دسته هواکش‌ها در استاندارد ATEXو،  Ex II 2G و در استاندارد IECExو، Ex e IIB+H2 T3/T4 Gb است. بدین ترتیب طبق این استاندارد، حداکثر دمای سطح تجهیزات برای T3 برابر با °200 سانتیگراد و برای T4 برابر با °135 سانتیگراد است. محدوده دمای محیط در این هواکش‌ها از °20- تا °40 سانتیگراد و در برخی دیگر تا °50 سانتیگراد می‌باشد. هواکش‌های ضدانفجار مایکو نیازهای حفاظتی دستورالعمل 2014/34/EU  اروپا را برای واحدها و سیستم‌های با احتمال انفجار ارضاع نموده و برای کاربرد در زون های 1 و 2  مناسب است.

هواکش های محوری ضدانفجار سری DZQ - DZS  با کیفیت ممتاز و مشخصات فنی قابل اعتماد؛ با مواد مرغوب بدنه که مانع از تغییر رنگ و کهنه شدن می‌گردد، ساخته شده‌اند. این دستگاه امنیت بالایی در برابر خرابی و ذوب شدن دارد (بی‌نیاز از پشتیبانی و سرویس، دارای موتور قوی بلبرینگی بی‌نیاز از روغن‌کاری و امکان حفاظت در برابر اضافه بار حرارتی بعنوان مشخصه استاندارد). این هواکش ها در سایز های 20 تا 60 سانتیمتر تولید که ظرفیت کاری آنها از 440 تا 9.450 متر مکعب بر ساعت است. برای حفاظت محصول و ایمنی مصرف‌کننده این دسته هواکش ها در برابر نفوذ آب (IP54) مقاوم هستند.


ویژگی‌ها

  سایز قطر خروجی 40 سانتیمتر

  حفاظت در برابر انفجار طبق استاندارد ATEX

  علائم طبقه بندی انفجاری Ex II 2G Ex e IIB+H2 T4 Gb

  برای استفاده در محیط با دمای از 20- تا 40 درجه سانتی گراد

  مناسب برای استفاده در نواحی خطر 1 و 2

  در حالت دهشی، حجم هوای خروجی 35 درصد نسبت به حالت مکشی کاهش می یابد.

  حفاظت در برابر اضافه بار حرارتی

  مناسب برای کارکرد دائم

  موتور مقاوم کم‌مصرف بلبرینگی و بی‌نیاز به تعمیر و نگهداری

  سرعت گردش هواکش با استفاده از ترانسفورمر TR قابل کنترل است

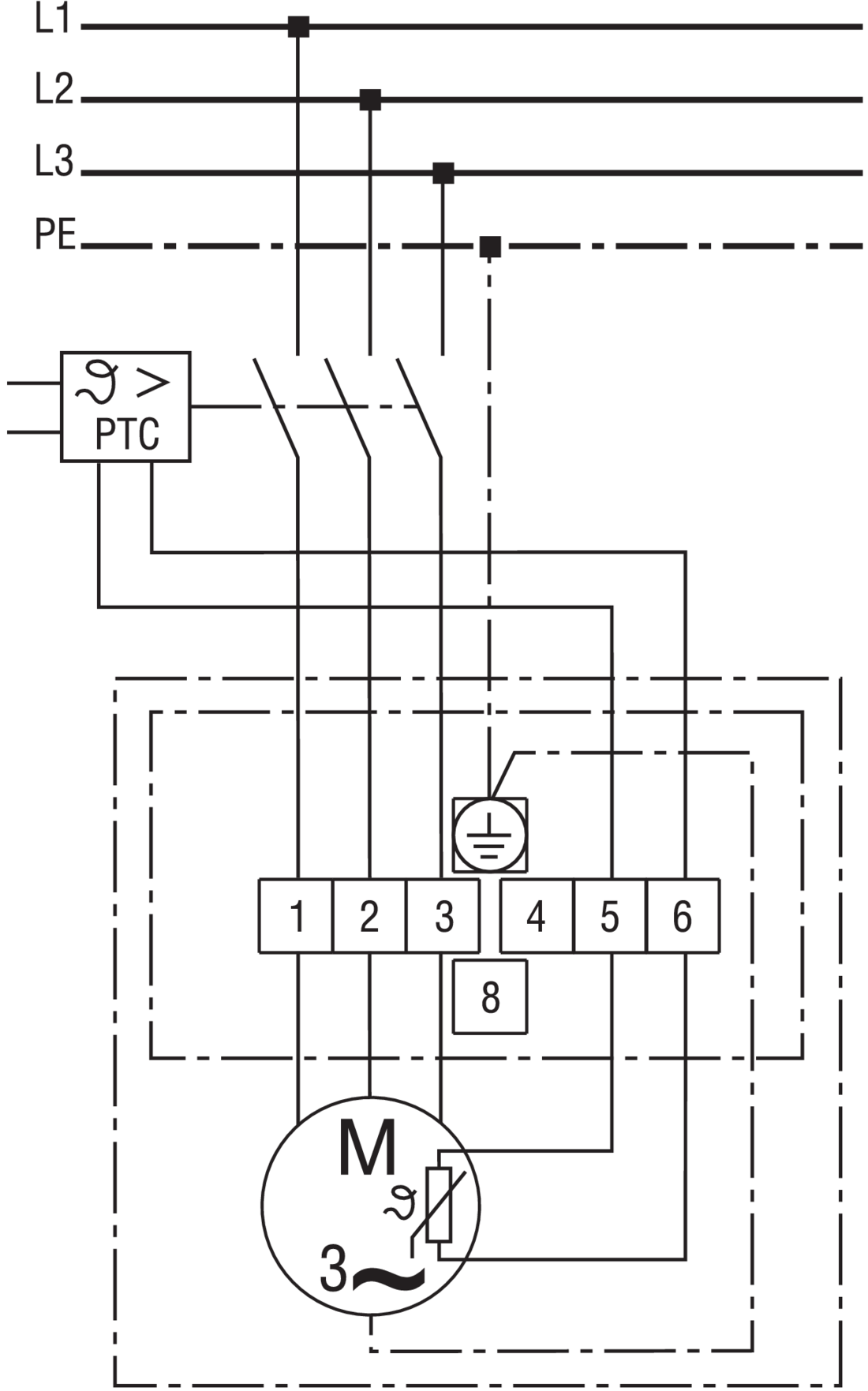
  دمای هواکش هنگام استفاده باید کنترل گردد. بدین منظور ترمیستور (مقاومت حرارتی) PTC باید بین تغذیه و هواکش قرارگیرد تا در صورت افزایش دما، کارکرد آن را متوقف و مجددا هواکش را روشن نماید (تجهیزات امنیتی مطابق با دستورالعمل 2014/34/EU)


مشخصات فنی

سایز نامی:

400 میلیمتر

ابعاد ظاهری:

580 * 580 میلیمتر

نوع کارکرد (مکش / دهش):

مکش / دهش

حجم جریان هوا:

4.130 مترمکعب در ساعت

ولتاژ:

400 ولت (سه فاز)

نوع ولتاژ:

جریان متناوب

فرکانس:
50 هرتز
مصرف انرژی:

170 وات

COS(φ):

0.45

حداکثر جریان مصرفی:

0.71 آمپر

جریان نامی:

0.55 آمپر

دور موتور:

1.465 دور در دقیقه

کنترل پذیری سرعت:

دارد

نوع پروانه (پیشران):

اکسیال (محوری)

محل نصب:
دیوار و سقف
نوع نصب:

روکار

درجه حفاظتی (در برابر نفوذ آب):

IP 54 (مقاوم در برابر پاشش آب از تمام جهات)

میزان صدا (فشار صوتی):

77 دسیبل

حداکثر دمای مجاز برای هوای در جریان:

20- تا 40 درجه سانتیگراد

جنس بدنه:

استیل گالوانیزه

رنگ بدنه:

نقره‌ای

وزن:

14.9 گیلوگرم

طراحی EX مطابق با مشخصات دستورالعمل ATEX:

Ex II 2 G

طراحی EX مطابق با استاندارد IECEx:

Ex e IIB + H2 T4 Gb

IA/IN:

5.7

زمان Ta:

110 ثانیه

وضعیت عملکردی:

S1

PTC DIN 44082:

M100

گواهینامه آزمون EC:

EX5 03 06 39250 007

کلاس حرارتی تجهیزات:

T4

کلاس حرارتی مواد عایقبندی .Th.Cl:

F(155)


نمودار بازدهی

جزئیات سربندی

جزئیات ابعاد

اطلاعات تکمیلی

 

شـرکت مهندسـی- بازرگانی ژفــــکر
بـا 50 ســـــــــــال ســـــــابـقه

سیستم مدیریت هوشمند ساختمان
تـأسیســات و تجهـیزات الکتریـکی

 


 
عرضه مستقیم تجهیزات الکتریکی و خدمات تأسیساتی            www.jafkar.com 
تحت لیسـانس کمپـانی‌هــای Maico ،Gira و این آدرس ایمیل توسط spambots حفاظت می شود. برای دیدن شما نیاز به جاوا اسکریپت دارید           Mobotix

نشانی دفتر: تهران، بزرگراه صدر، خروجی کاوه جنوب، بن‌بست نصر، پ ۳، واحد ۱
تلفن: ۲۲۰۰۲۴۳۵   |   نمابر: ۲۲۶۲۲۴۳۵   |  پیامک/ ارتباط مجازی: ۰۹۱۰۸۹۴۰۳۳۵

                 

      

English                                                   رحمت خدا بر کسی که وقتی کاری می‌کند، عالی انجامش دهد.

                                                              الّلهُــمَّ صَـلِّ عَلـی مُحَمَّـــد وَآلِ مُحَمَّــــد وَ عَجِّــل فَرَجَهُـــم

      Gira     Maico    Mobotix