هواکش ضد انفجار محوری DZR 40/4 B Ex e؛ کارکرد مکشی و دهشی

هواکش‌های ضد انفجار محوری داخل داکت

هواکش ضد انفجار داخل داکت، امکان کارکرد مکشی و دهشی؛
قابل استفاده در زون 1 و 2 خطر انفجار، واحد ماشین آلات، نمایشگاه، دفتر فرمان، کارگاه و سایت تولید

هواکش های محوری ضدانفجار سری DZR  با استاندارد VDE آلمان (علاوه بر گواهی‌های CE اروپا) با کیفیت ممتاز و مشخصات فنی قابل اعتماد؛ دارای عمر طولانی واقعی؛ با مواد مرغوب بدنه که مانع از تغییر رنگ و کهنه شدن می‌گردد؛ سیستم‌های ضدانفجار مایکو دارای نمادهای استاندارد ATEX و IECEx است. مشخصه کلی  این دسته هواکش‌ها در استاندارد ATEX،  Ex II 2G و در استاندارد  IECEx،Ex e IIB+H2 T3/T4 Gb است. بدین ترتیب طبق این استاندارد، حداکثر دمای سطح تجهیزات برای T3 برابر با 200 درجه سانتی گراد و برای T4 برابر با 135 درجه سانتی گراد است. محدوده دمای محیط در این هواکش‌ها از 20- تا 40 درجه سانتی‌گراد و در برخی دیگر تا 50 درجه سانتی‌گراد می‌باشد. هواکش‌های ضدانفجار مایکو نیازهای حفاظتی دستورالعمل 2014/34/EU  اروپا را برای واحدها و سیستم‌های با احتمال انفجار ارضاع نموده و برای کاربرد در زون های 1 و 2  مناسب است.


ویژگی‌ها

  سایز قطر خروجی 40 سانتیمتر

  حفاظت در برابر انفجار طبق استاندارد ATEX

  علائم طبقه بندی انفجاری Ex II 2G Ex e IIB+H2 T3/T4 Gb.

  مقاوم در برابر نفوذ آب (IP 54)

  در حالت دهشی، حجم هوای خروجی 35 درصد نسبت به حالت مکشی کاهش می یابد.

  حفاظت در برابر اضافه بار حرارتی

  مناسب برای کارکرد دائم

  موتور مقاوم کم‌مصرف بلبرینگی و بی‌نیاز به تعمیر و نگهداری

  سوراخ فلنج مطابق با استاندارد DIN EN 12220:1998 می باشد.


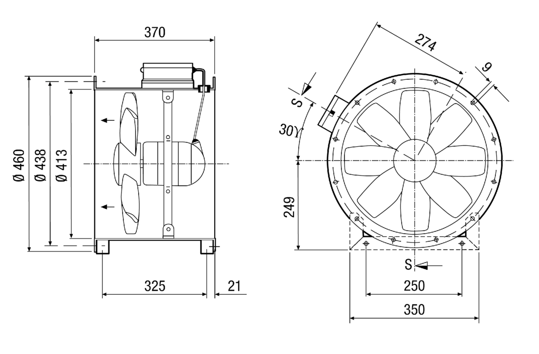
مشخصات فنی

سایز نامی:

400 میلیمتر

ابعاد ظاهری:

523 * 523 میلیمتر

نوع کارکرد (مکش / دهش):

مکش / دهش

حداکثر حجم جریان هوا:

4.200 مترمکعب در ساعت

ولتاژ:

400 ولت (سه‌فاز)

نوع ولتاژ:

جریان متناوب

فرکانس:
50 هرتز
حداکثر مصرف انرژی:

170 وات

حداکثر مصرف جریان:

0.74 آمپر

حداکثر دور موتور:

1.465 دور در دقیقه

COS(φ):

0.45

کنترل پذیری سرعت:

دارد

نوع پروانه (پیشران):

اکسیال (محوری)

محل نصب:

داخل داکت

نوع نصب:

توکار

درجه حفاظتی (در برابر نفوذ آب):

IP 54 (مقاوم در برابر پاشیدن آب از تمام جهات)

میزان صدا (فشار صوتی):

76 دسیبل

حداکثر دمای هوای در جریان:

20- تا 40 درجه سانتیگراد

جنس بدنه:

استیل گالوانیزه

وزن:

14.6 گیلوگرم

طراحی EX مطابق با مشخصات دستورالعمل ATEX:

Ex II 2 G

استاندارد طراحی EX:

Ex e IIB + H2 T4 Gb

IA/IN:

5.7

زمان Ta:

110 ثانیه

وضعیت عملکردی:

S1

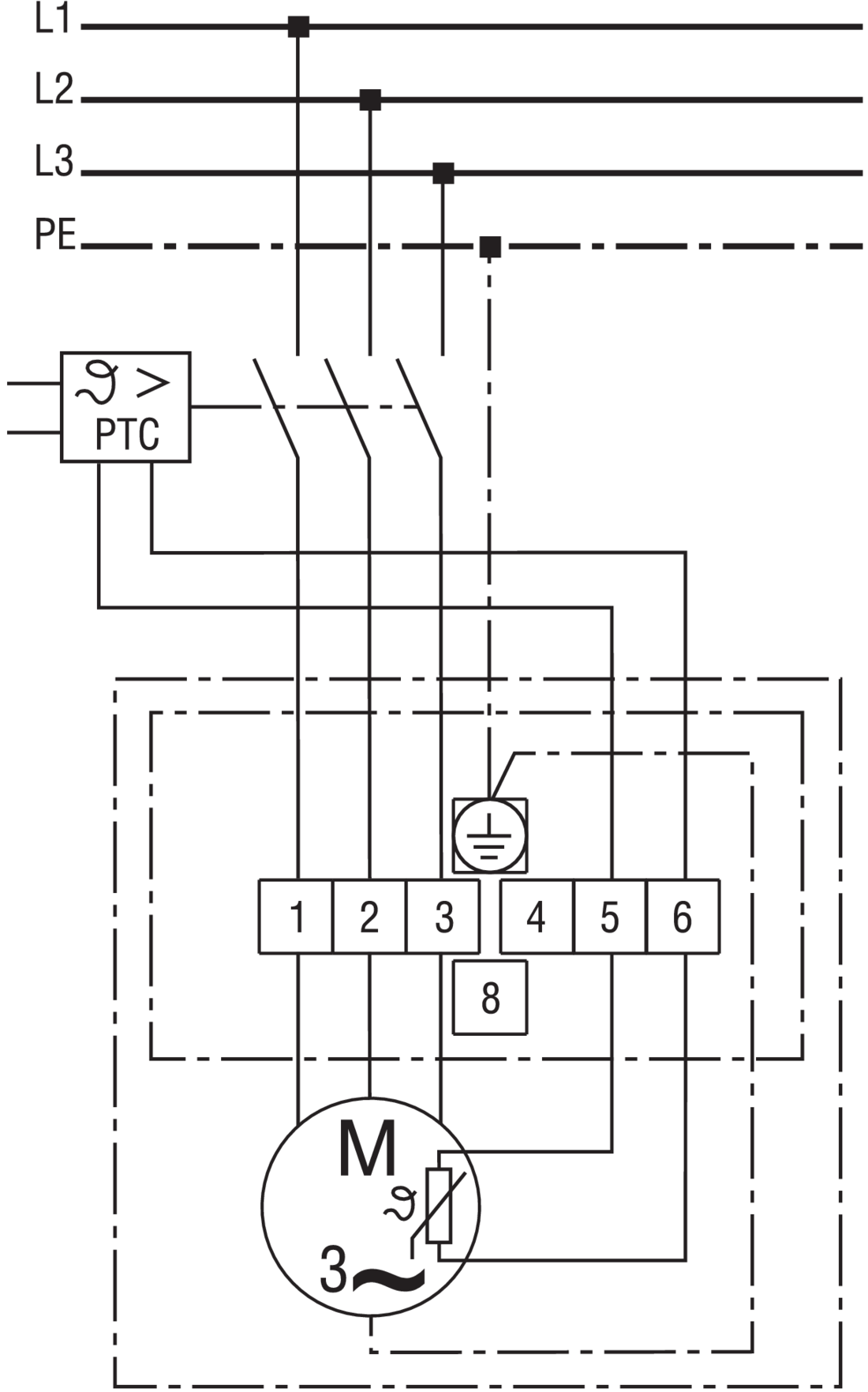
PTC DIN 44082:

M 100

نوع آزمون گواهینامه EC:

EX5 03 06 39250 007

کلاس دما:

T4

کلاس دمای مواد عایقبندی Th. Cl.:

155 فارنهایت


نمودار بازدهی

نمودار بازدهی

جزئیات سربندی

جزئیات سربندی

 

شـرکت مهندسـی- بازرگانی ژفــــکر
بـا 45 ســـــــــــال ســـــــابـقه

سیستم مدیریت هوشمند ساختمان
تـأسیســات و تجهـیزات الکتریـکی

 


 
عرضه مستقیم تجهیزات الکتریکی و خدمات تأسیساتی            www.jafkar.com 
تحت لیسـانس کمپـانی‌هــای Maico ،Gira و این آدرس ایمیل توسط spambots حفاظت می شود. برای دیدن شما نیاز به جاوا اسکریپت دارید           Mobotix

نشانی دفتر: تهران، بزرگراه صدر، خروجی کاوه جنوب، بن‌بست نصر، پ ۳، واحد ۱
تلفن: ۲۲۰۰۲۴۳۵   |   نمابر: ۲۲۶۲۲۴۳۵   |  پیامک/ ارتباط مجازی: ۰۹۱۰۸۹۴۰۳۳۵

                 

      

English                                                   رحمت خدا بر کسی که وقتی کاری می‌کند، عالی انجامش دهد.

                                                              الّلهُــمَّ صَـلِّ عَلـی مُحَمَّـــد وَآلِ مُحَمَّــــد وَ عَجِّــل فَرَجَهُـــم

      Gira     Maico    Mobotix