هواکش ضد انفجار ERM 22 Ex e؛ حداکثر دمای سطح تجهیزات تا °200 سانتیگراد

هواکش‌های محوری دیواری استاندارد

هواکش داخل داکت ضدانفجار با استاندارد Ex II 2G Ex e IIB+H2 T3 Gb
قابل استفاده در اماکن با خطر انفجار (زون 1 و 2)، فروشگاه های رنگ، اتاق های باتری، مقاصد تجاری، تاسیسات تولیدی

سیستم‌های ضدانفجار مایکو دارای نمادهای استاندارد ATEX و IECEx است. مشخصه کلی  این دسته هواکش‌ها در استاندارد ATEXو،  Ex II 2G و در استاندارد IECExو، Ex e IIB+H2 T3/T4 Gb است. بدین ترتیب طبق این استاندارد، حداکثر دمای سطح تجهیزات برای T3 برابر با °200 سانتیگراد و برای T4 برابر با °135 سانتیگراد است. محدوده دمای محیط در این هواکش‌ها از °20- تا °40 سانتیگراد و در برخی دیگر تا °50 سانتیگراد می‌باشد. هواکش‌های ضدانفجار مایکو نیازهای حفاظتی دستورالعمل 2014/34/EU  اروپا را برای واحدها و سیستم‌های با احتمال انفجار ارضاع نموده و برای کاربرد در زون های 1 و 2  مناسب است.

این هواکش ها در سایز های 18 تا 25 سانتی متر تولید که ظرفیت کاری آنها از 310 تا 870 متر مکعب بر ساعت است؛ مقاوم در برابر نفوذ آب (IP54) برای حفاظت محصول و ایمنی مصرف‌کننده؛ جنس بدنه و پروانه ها از پلاستیک فشرده آنتی استاتیک بسیار با کیفیت و پروانه ها نیمه سانتریفیوژی هستند.در این هواکش ها از ارتعاشگیر های مناسب ELM-Ex برای جلوگیری از انتقال ارتعاشات به سیستم داکتها استفاده شده است.


ویژگی‌ها

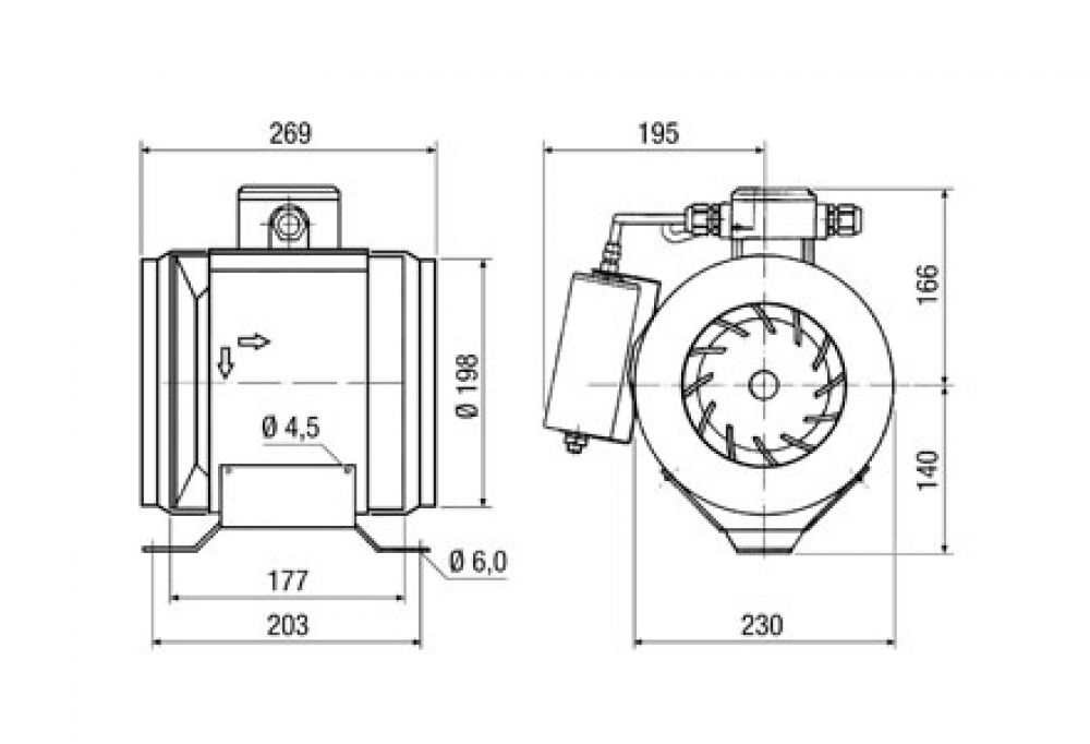
  سایز قطر خروجی 22 سانتیمتر

  حفاظت در برابر انفجار طبق استاندارد ATEX

  علائم طبقه بندی انفجاری Ex II 2G Ex e IIB+H2 T3 Gb

  برای استفاده در محیط با دمای از °20- تا °50 سانتیگراد

  مناسب برای استفاده در نواحی خطر 1 و 2

  جنس بدنه از پلاستیک آنتی‌استاتیک بسیار با کیفیت است.

  حفاظت در برابر اضافه بار حرارتی

  مناسب برای کارکرد دائم

  موتور مقاوم کم‌مصرف بلبرینگی و بی‌نیاز به تعمیر و نگهداری

  اتصالات دو طرف ورودی و خروجی برای نصب مستقیم در داکت‌های تهویه آماده است.

  با استفاده از ارتعاش‌گیرهای مناسب ELM-Ex از انتقال ارتعاشات به سیستم داکت‎‌ها جلوگیری می‌کند.


مشخصات فنی

سایز نامی:

220 میلیمتر

ابعاد ظاهری:

310 * 306 میلیمتر

نوع کارکرد (مکش / دهش):

مکش

حداکثر حجم جریان هوا:

560 مترمکعب در ساعت

ولتاژ:

230 ولت (تک‌فاز)

نوع ولتاژ:

جریان متناوب

فرکانس:
50 هرتز
حداکثر مصرف انرژی:

200 وات

حداکثر مصرف جریان:

0.92 آمپر

حداکثر دور موتور:

2.860 دور در دقیقه

COS(φ):

0.92

نوع پروانه (پیشران):

نیمه‌شعاعی

محل نصب:

داخل داکت

نوع نصب:

توکار

درجه حفاظتی (در برابر نفوذ آب):

IP 54 (مقاوم در برابر پاشیدن آب از تمام جهات)

میزان صدا (فشار صوتی):

64 دسیبل

حداکثر دمای هوای در جریان:

20- تا 50 درجه سانتیگراد

جنس بدنه:

پلاستیک فشرده آنتی استاتیک

وزن:

6.5 گیلوگرم

طراحی EX مطابق با مشخصات دستورالعمل ATEX:

Ex II 2 G

طراحی EX مطابق با استاندارد IECEx:

Ex e IIB + H2 T3 Gb

IA/IN:

3.1

زمان Ta:

30 ثانیه

وضعیت عملکردی:

S1

ظرفیت خازن / ولتاژ:

12 میکروفاراد / 280 ولت

گواهینامه آزمون EC:

EX5 03 06 39250 007

کلاس حرارتی تجهیزات:

T3

کلاس حرارتی مواد عایقبندی .Th.Cl:

B (130)


نمودار بازدهی

جزئیات سربندی

 

شـرکت مهندسـی- بازرگانی ژفــــکر
بـا 50 ســـــــــــال ســـــــابـقه

سیستم مدیریت هوشمند ساختمان
تـأسیســات و تجهـیزات الکتریـکی

 


 
عرضه مستقیم تجهیزات الکتریکی و خدمات تأسیساتی            www.jafkar.com 
تحت لیسـانس کمپـانی‌هــای Maico ،Gira و این آدرس ایمیل توسط spambots حفاظت می شود. برای دیدن شما نیاز به جاوا اسکریپت دارید           Mobotix

نشانی دفتر: تهران، بزرگراه صدر، خروجی کاوه جنوب، بن‌بست نصر، پ ۳، واحد ۱
تلفن: ۲۲۰۰۲۴۳۵   |   نمابر: ۲۲۶۲۲۴۳۵   |  پیامک/ ارتباط مجازی: ۰۹۱۰۸۹۴۰۳۳۵

                 

      

English                                                   رحمت خدا بر کسی که وقتی کاری می‌کند، عالی انجامش دهد.

                                                              الّلهُــمَّ صَـلِّ عَلـی مُحَمَّـــد وَآلِ مُحَمَّــــد وَ عَجِّــل فَرَجَهُـــم

      Gira     Maico    Mobotix