هواکش داخل داکت EDR 50؛ با پروانه‎‌های دیاگونال

هواکش‌های پربازده

هواکش داخل داکت، بسیار پر قدرت با پروانه‌های دیاگونال
قابل استفاده در سیستم استخراج هوا در کارگاه، اماکن تولیدی، انبار و آزمایشگاه‌ها

هواکش های سری EDR با کیفیت ممتاز و مشخصات فنی قابل اعتماد؛ دارای عمر طولانی واقعی؛ با مواد مرغوب بدنه که مانع از تغییر رنگ و کهنه شدن می‌گردد؛ امکان جابجایی حجم متوسط تا زیاد هوا علی رغم وجود مقاومت زیاد؛ امنیت بالا در برابر خرابی و ذوب شدن (بی‌نیاز از پشتیبانی و سرویس، دارای موتور قوی بلبرینگی بی‌نیاز از روغن‌کاری و امکان حفاظت در برابر اضافه بار حرارتی بعنوان مشخصه استاندارد)؛ راندمان بالا که بسته به میزان استفاده، هزینه خرید حدودا پس از یک سال مستهلک می گردد؛ قابل استفاده در واحد استخراج ماشین، سیستم استخراج هوا در کارگاه، اماکن تولید، انبار و آزمایشگاه؛ این هواکش ها در سایز های 25 تا 71 سانتی متر تولید که ظرفیت کاری آنها از 1.700 تا 20.200 متر مکعب بر ساعت است؛ قابلیت نصب مستقیم در داکت های تهویه؛ دارای پره های اریب با استاتور پایین دست؛ پره های پروفیل و تیغه های استاتور، ایجاد جریان بهینه را تضمین می کنند؛ امکان کنترل سرعت با استفاده از ترانسفورمر؛ مقاوم در برابر نفوذ آب (IP X4) برای حفاظت محصول و ایمنی مصرف‌کننده؛ نازل های مکشی برای کاهش آشفتگی جریان هوای ورودی؛ دارای دیفیوزر برای افزایش فشار استاتیکی؛ همچنین وجود فاصله بین ورودی و محفظه فشار، تلفات بیش از حد را کاهش می دهد. دارای کلاس حرارتی F؛


ویژگی‌ها

  سایز قطر خروجی 50 سانتیمتر

  امکان جابجایی حجم متوسط تا زیاد هوا علی رغم وجود مقاومت زیاد

  دارای ابعاد فشرده، وزن کم و صفحه یکپارچه که مناسب برای نصب آسان و سریع است

  نازل های مکشی برای کاهش آشفتگی جریان هوای ورودی

  دارای پروانه های دیاگونال با استاتور پایین دست

  پره های پروفیل و تیغه های استاتور، ایجاد جریان بهینه را تضمین می کنند

  دارای دیفیوزر برای افزایش فشار استاتیکی

  مقاوم در برابر نفوذ آب IPX4، بجز مدل EDR45 تا EDR 56 که IP54 هستند

  حفاظت در برابر اضافه بار حرارتی

  مناسب برای کارکرد دائم

  موتور مقاوم کم‌مصرف بلبرینگی و بی‌نیاز به تعمیر و نگهداری


مشخصات فنی

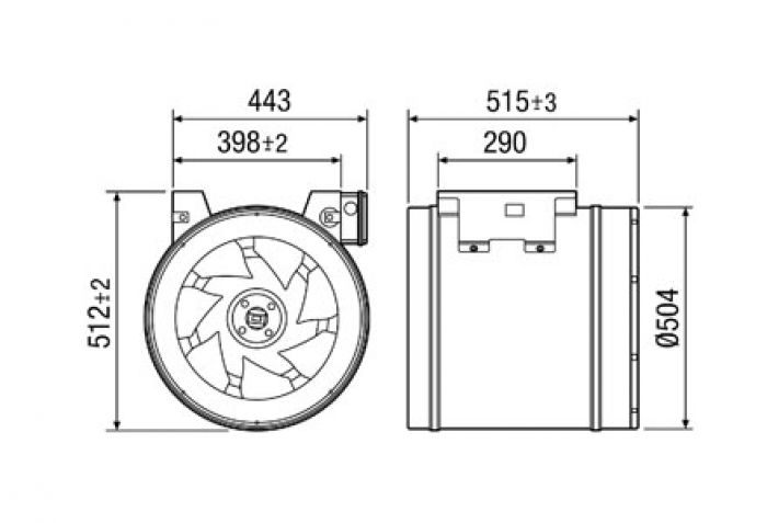
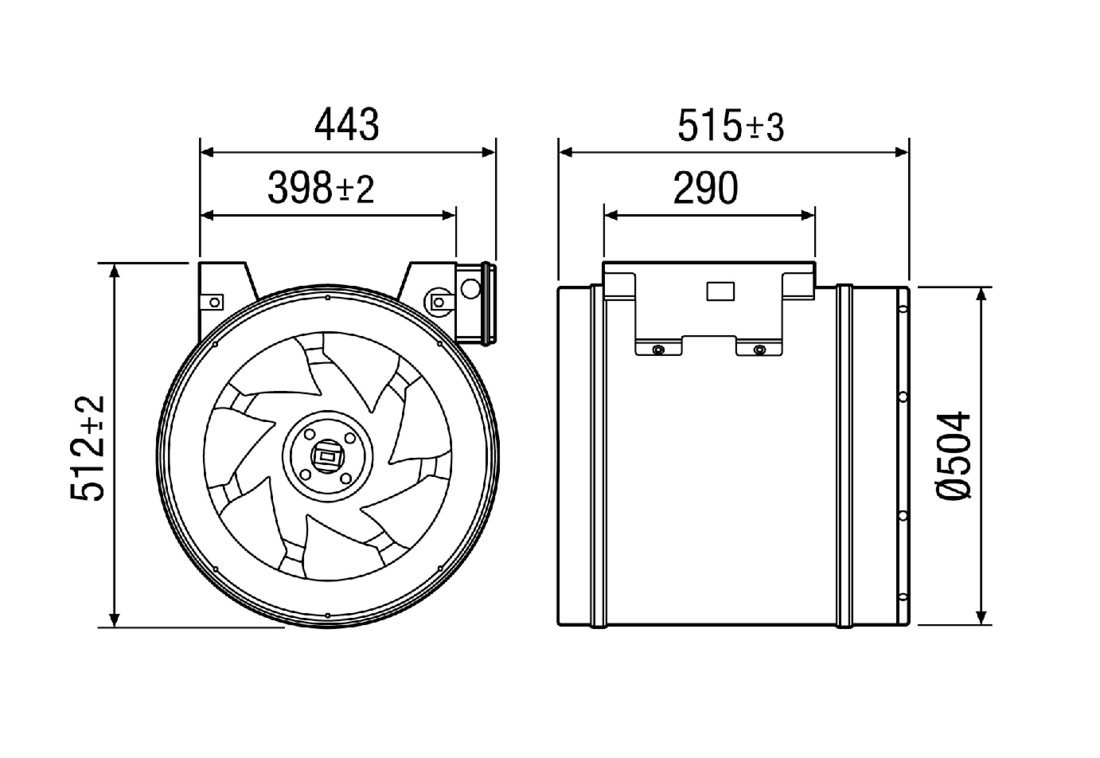
سایز نامی:

500 میلیمتر

ابعاد ظاهری:

512 * 515 میلیمتر

نوع کارکرد (مکش / دهش):

مکش

حداکثر حجم جریان هوا:

6.720 مترمکعب در ساعت

ولتاژ:
230 ولت (تکفاز)
نوع ولتاژ:

جریان متناوب

فرکانس:
50 هرتز
حداکثر مصرف انرژی:

640 وات در شرایط کارکرد بهینه

حداکثر مصرف جریان:

3.7 آمپر

حداکثر دور موتور:

1.380 دور در دقیقه

فشار نامی:

302 پاسکال در شرایط کارکرد بهینه

کنترل پذیری سرعت:

دارد

نوع پروانه (پیشران):

دیاگونال یا اوریب

محل نصب:

داخل داکت

نوع نصب:

توکار

درجه حفاظتی (در برابر نفوذ آب):

IP 54 (مقاوم در برابر پاشیدن آب از تمام جهات)

میزان صدا (فشار صوتی):

75 دسیبل

حداکثر دمای هوای در جریان:

80 درجه سانتیگراد

جنس بدنه:

استیل گالوانیزه

وزن:

22.8 گیلوگرم

اطلاعات فنی مطابق با ErP در نقطه بهترین بازدهی (BEP)

بازدهی کلی η:

48.7 درصد

طبقه‌بندی اندازه‌گیری:

A

طبقه‌بندی بازدهی:

استاتیک

سطح بازدهی N:

60.5 درصد

نیاز به درایو سرعت متغیر (VSD):

ندارد

توان/ حجم هوا/ فشار/ دور موتور (همگی در نقطه بهترین بازدهی):

0.747 کیلو وات/ 4.736 متر مکعب در ساعت/ 302 پاسکال/ 1.352 دور در دقیقه


نمودار بازدهی

نمودار بازدهی

جزئیات سربندی

جزئیات سربندی

 

شـرکت مهندسـی- بازرگانی ژفــــکر
بـا 50 ســـــــــــال ســـــــابـقه

سیستم مدیریت هوشمند ساختمان
تـأسیســات و تجهـیزات الکتریـکی

 


 
عرضه مستقیم تجهیزات الکتریکی و خدمات تأسیساتی            www.jafkar.com 
تحت لیسـانس کمپـانی‌هــای Maico ،Gira و این آدرس ایمیل توسط spambots حفاظت می شود. برای دیدن شما نیاز به جاوا اسکریپت دارید           Mobotix

نشانی دفتر: تهران، بزرگراه صدر، خروجی کاوه جنوب، بن‌بست نصر، پ ۳، واحد ۱
تلفن: ۲۲۰۰۲۴۳۵   |   نمابر: ۲۲۶۲۲۴۳۵   |  پیامک/ ارتباط مجازی: ۰۹۱۰۸۹۴۰۳۳۵

                 

      

English                                                   رحمت خدا بر کسی که وقتی کاری می‌کند، عالی انجامش دهد.

                                                              الّلهُــمَّ صَـلِّ عَلـی مُحَمَّـــد وَآلِ مُحَمَّــــد وَ عَجِّــل فَرَجَهُـــم

      Gira     Maico    Mobotix