هواکش داخل داکت ERR 31/1

هواکش‌های پربازده

هواکش داخل داکت، پر قدرت با پروانه‌های شعاعی
قابل استفاده در واحد ماشین آلات، سیستم مکش هوای کارگاه، اماکن تولیدی، آزمایشگاه و تاسیسات تولیدی

هواکش های سری ERR  با کیفیت ممتاز و مشخصات فنی قابل اعتماد؛ دارای عمر طولانی واقعی و صدای کم؛ با مواد مرغوب بدنه که مانع از تغییر رنگ و کهنه شدن می‌گردد؛ امنیت بالا در برابر خرابی و ذوب شدن (بی‌نیاز از پشتیبانی و سرویس، دارای موتور قوی بلبرینگی بی‌نیاز از روغن‌کاری و امکان حفاظت در برابر اضافه بار حرارتی بعنوان مشخصه استاندارد)؛ قابل استفاده در واحد ماشین آلات، سیستم مکش هوای کارگاه، اماکن تولیدی، آزمایشگاه تاسیسات تولیدی؛ این هواکش ها در سایز های 10 ، 12، 16، 20، 25 و 31.5 سانتی متر تولید که ظرفیت کاری آنها از 220 تا 1370 متر مکعب بر ساعت است؛ قابلیت نصب مستقیم در داکت های تهویه؛ دارای پروانه های سانتریفیوژی شعاعی؛ با امکان کنترل سرعت؛ مقاوم در برابر نفوذ آب (IP X4) برای حفاظت محصول و ایمنی مصرف‌کننده؛


ویژگی‌ها

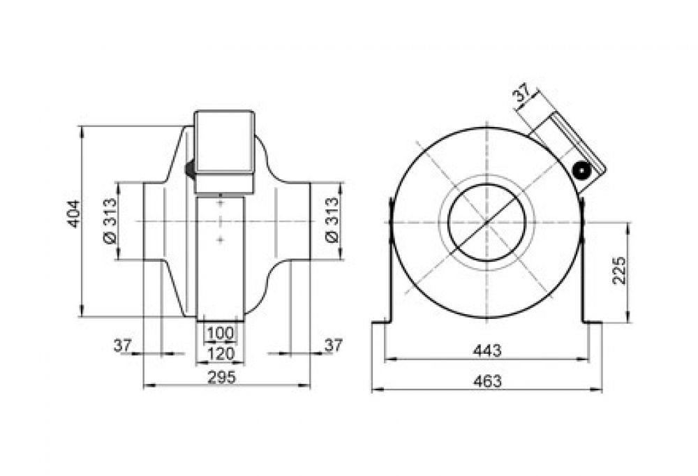
  سایز قطر خروجی 31.5 سانتیمتر

  موتور خازنی با روتور خارجی

  سرعت کنترل‌پذیر

  دارای پروانه سانتریفیوژی با تیغه‌های خمیده به عقب

  مقاوم در برابر نفوذ آب IPX4 (پس از نصب در داکت تهویه)

  حفاظت در برابر اضافه بار حرارتی

  مناسب برای کارکرد دائم

√  موتور مقاوم کم‌مصرف بلبرینگی و بی‌نیاز به تعمیر و نگهداری


مشخصات فنی

سایز نامی:

315 میلیمتر

ابعاد ظاهری:

441 * 404 میلیمتر

نوع کارکرد (مکش / دهش):

مکش

حداکثر حجم جریان هوا:

1.370 مترمکعب در ساعت

ولتاژ:
230 ولت (تکفاز)
نوع ولتاژ:

جریان متناوب

فرکانس:
50 هرتز
حداکثر مصرف انرژی:

258 وات

حداکثر مصرف جریان:

1.14 آمپر

حداکثر دور موتور:

2.760 دور در دقیقه

کنترل پذیری سرعت:

دارد

نوع پروانه (پیشران):

شعاعی

محل نصب:

داخل داکت

نوع نصب:

توکار

درجه حفاظتی (در برابر نفوذ آب):

IP X4 (مقاوم در برابر پاشیدن آب از تمام جهات)

میزان صدا (فشار صوتی):

70 دسیبل

حداکثر دمای هوای در جریان:

20- تا 60 درجه سانتیگراد

جنس بدنه:

استیل گالوانیزه

وزن:

6.5 گیلوگرم


نمودار بازدهی

جزئیات سربندی

 

شـرکت مهندسـی- بازرگانی ژفــــکر
بـا 45 ســـــــــــال ســـــــابـقه

سیستم مدیریت هوشمند ساختمان
تـأسیســات و تجهـیزات الکتریـکی

 


 
عرضه مستقیم تجهیزات الکتریکی و خدمات تأسیساتی            www.jafkar.com 
تحت لیسـانس کمپـانی‌هــای Maico ،Gira و این آدرس ایمیل توسط spambots حفاظت می شود. برای دیدن شما نیاز به جاوا اسکریپت دارید           Mobotix

نشانی دفتر: تهران، بزرگراه صدر، خروجی کاوه جنوب، بن‌بست نصر، پ ۳، واحد ۱
تلفن: ۲۲۰۰۲۴۳۵   |   نمابر: ۲۲۶۲۲۴۳۵   |  پیامک/ ارتباط مجازی: ۰۹۱۰۸۹۴۰۳۳۵

                 

      

English                                                   رحمت خدا بر کسی که وقتی کاری می‌کند، عالی انجامش دهد.

                                                              الّلهُــمَّ صَـلِّ عَلـی مُحَمَّـــد وَآلِ مُحَمَّــــد وَ عَجِّــل فَرَجَهُـــم

      Gira     Maico    Mobotix