هواکش جعبه‌ای ESQ 40/4؛ عایق صوتی

هواکش‌های پربازده

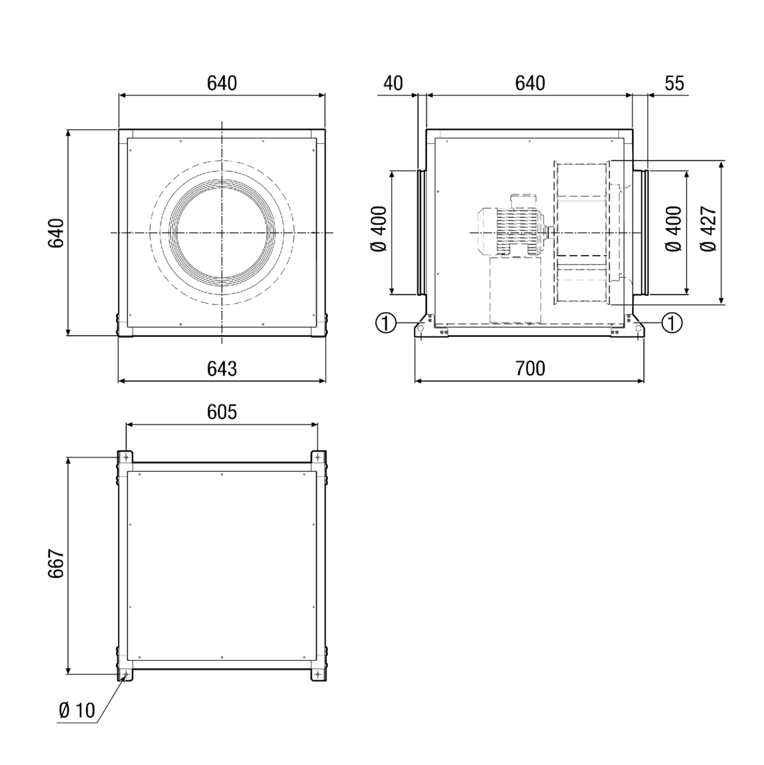
هواکش جعبه‎‌ای داخل داکت، با پروانه‌های سانتریفیوژی، عایق صوتی، امکان تغییر خروجی هوا از 5 طرف
قابل استفاده در کارگاه ها، محل کار، سیستم استخراج هوا در محل کار، تجهیزات ذخیره سازی


ویژگی‌ها

  سایز قطر خروجی 40 سانتیمتر

  با توجه به عایق‌بندی صوتی بسیار کم‌صدا است

  بخش جانبی دارای سوکت ورودی هوا بصورت دایمی نصب می گردد. اما بخش جانبی دارای سوکت خروجی هوا و دیگر بخش های جانبی که بسته اند، می توانند تغییر کند. بدین ترتیب امکان تطبیق این محصول در شرایط نصب متفاوت فراهم می گردد.

  مقاوم در برابر نفوذ آب IP55

  حفاظت در برابر اضافه بار حرارتی

  مناسب برای کارکرد دائم

  موتور مقاوم کم‌مصرف بلبرینگی و بی‌نیاز به تعمیر و نگهداری


مشخصات فنی

سایز نامی:

400 میلیمتر

ابعاد ظاهری:

643 * 640 میلیمتر

نوع کارکرد (مکش / دهش):

مکش

حداکثر حجم جریان هوا:

4.500 مترمکعب در ساعت

ولتاژ:
230 ولت (تکفاز)
نوع ولتاژ:

جریان متناوب

فرکانس:
50 هرتز
حداکثر مصرف انرژی:

550 وات

حداکثر مصرف جریان:

4.8 آمپر

کنترل پذیری سرعت:

دارد

نوع پروانه (پیشران):

شعاعی

محل نصب:

داخل داکت

درجه حفاظتی (در برابر نفوذ آب):

IP 55 (مقاوم در برابر جریان کم‌فشار آب از تمام جهات)

میزان صدا (فشار صوتی):

49 دسیبل

حداکثر دمای هوای در جریان:

20- تا 50 درجه سانتیگراد

جنس بدنه:

استیل گالوانیزه

وزن:

52 گیلوگرم


نمودار بازدهی

جزئیات سربندی

 

شـرکت مهندسـی- بازرگانی ژفــــکر
بـا 50 ســـــــــــال ســـــــابـقه

سیستم مدیریت هوشمند ساختمان
تـأسیســات و تجهـیزات الکتریـکی

 


 
عرضه مستقیم تجهیزات الکتریکی و خدمات تأسیساتی            www.jafkar.com 
تحت لیسـانس کمپـانی‌هــای Maico ،Gira و این آدرس ایمیل توسط spambots حفاظت می شود. برای دیدن شما نیاز به جاوا اسکریپت دارید           Mobotix

نشانی دفتر: تهران، بزرگراه صدر، خروجی کاوه جنوب، بن‌بست نصر، پ ۳، واحد ۱
تلفن: ۲۲۰۰۲۴۳۵   |   نمابر: ۲۲۶۲۲۴۳۵   |  پیامک/ ارتباط مجازی: ۰۹۱۰۸۹۴۰۳۳۵

                 

      

English                                                   رحمت خدا بر کسی که وقتی کاری می‌کند، عالی انجامش دهد.

                                                              الّلهُــمَّ صَـلِّ عَلـی مُحَمَّـــد وَآلِ مُحَمَّــــد وَ عَجِّــل فَرَجَهُـــم

      Gira     Maico    Mobotix