هواکش سانتریفیوژی استاندارد DRD 22؛ کم‌مصرف

هواکش‌های مخصوص بام استاندارد

مخصوص بام، مناسب برای مکش مرکزی، کم‌مصرف
قابل استفاده در تأسیسات تولیدی، محل کار، اماکن تجاری، ساختمان های صنعتی و رستوران ها

هواکش‌های سری DRD با کیفیت ممتاز و مشخصات فنی قابل اعتماد ارائه می‌گردند. این هواکش‌ها دارای عمر طولانی واقعی و صدای کمی هستند. جنس بدنه از مواد مرغوبی است که مانع کهنه شدن و تغییر رنگ می‌گردد. سری هواکش‌های DRD دارای تکنولوژی مصرف بهینه EC و نماد Blue Performance هستند. این دستگاه مجهز به شاتر یکپارچه برای جلوگیری از برگشت هوا هنگام خاموشی است. برای حفاظت محصول و ایمنی مصرف‌کننده، در برابر نفوذ آب مقاوم است (IP 54) و همچنین باتوجه به موتور کم‌مصرف قوی و بلبرینگی، از هرگونه پشتیبانی و سرویس بی‌نیاز است.


ویژگی‌ها

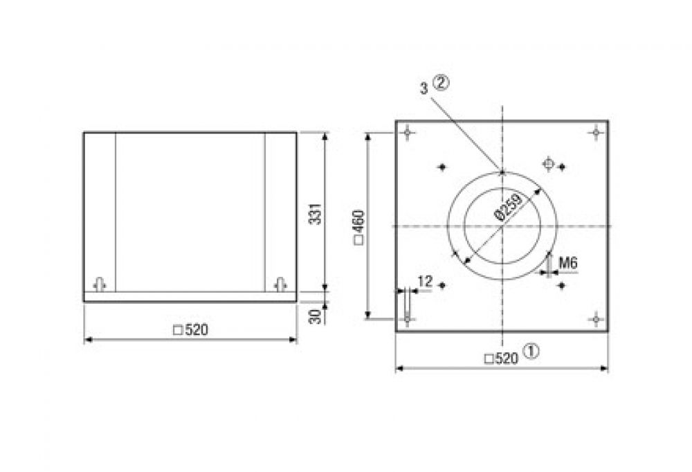
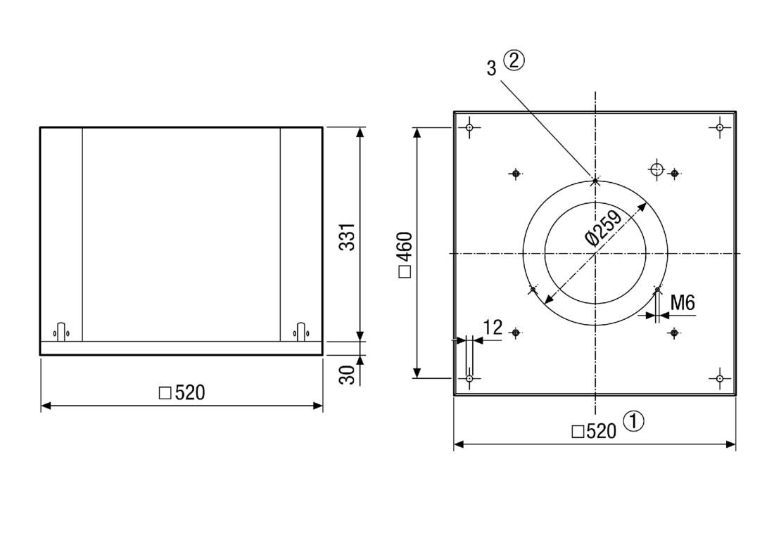
  سایز قطر لوله 224 میلیمتر

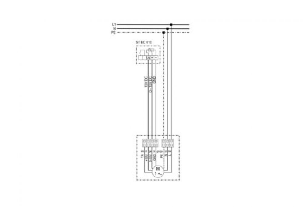
  دارای موتور DC مجهز به تکنولوژی کاهش مصرف EC

  کنترل سرعت با سیگنال کنترلی 0 تا 10 ولت

  مقاوم در برابر پاشیدن آب از تمام جهات (IP 54)

  دارای قلاب‌های حمل توسط جرثقیل

  دارای سافت استارتر

  می‌توان برای سیستم‌های تهویه مرکزی مطابق DIN 18017-3 از آن استفاده نمود

  حفاظت در برابر اضافه بار حرارتی

  مناسب برای کارکرد دائم

  موتور مقاوم کم‌مصرف بلبرینگی و بی‌نیاز به تعمیر و نگهداری

  در بخش تخلیه دستگاه، طبق استاندارد DIN EN ISO 13857 شبکه‌های محافظ گالوانیزه به منظور جلوگیری از برخوردهای تصادفی تعبیه شده است.


مشخصات فنی

سایز نامی:

224 میلیمتر

ابعاد ظاهری:

520 * 520 میلیمتر

نوع کارکرد (مکش / دهش):
مکش
حداکثر حجم جریان هوا:

2125 مترمکعب بر ساعت

ولتاژ:
230 ولت (تکفاز)
نوع ولتاژ:

جریان متناوب

فرکانس:
50 هرتز
حداکثر مصرف انرژی:

165 وات

حداکثر مصرف جریان:

1.3 آمپر

حداکثر دور موتور:

1.840 دور در دقیقه

نوع پروانه (پیشران):

شعاعی

کنترل‌پذیری سرعت:

دارد

محل نصب:

مخصوص بام

زاویه نصب:

عمودی

درجه حفاظتی (در برابر نفوذ آب):

IP 45 (مقاوم در برابر جریان کم‌فشار آب از تمام جهات)

میزان صدا (فشار صوتی):

77 دسیبل

حداکثر دمای هوای در جریان:

25- تا 60 درجه سانتیگراد

شاتر (دمپر برقی):

دارد

جنس بدنه:

استیل گالوانیزه

وزن:

9.3 کیلوگرم


نمودار بازدهی

نمودار بازدهی

جزئیات سربندی

جزئیات سربندی

 

شـرکت مهندسـی- بازرگانی ژفــــکر
بـا 50 ســـــــــــال ســـــــابـقه

سیستم مدیریت هوشمند ساختمان
تـأسیســات و تجهـیزات الکتریـکی

 


 
عرضه مستقیم تجهیزات الکتریکی و خدمات تأسیساتی            www.jafkar.com 
تحت لیسـانس کمپـانی‌هــای Maico ،Gira و این آدرس ایمیل توسط spambots حفاظت می شود. برای دیدن شما نیاز به جاوا اسکریپت دارید           Mobotix

نشانی دفتر: تهران، بزرگراه صدر، خروجی کاوه جنوب، بن‌بست نصر، پ ۳، واحد ۱
تلفن: ۲۲۰۰۲۴۳۵   |   نمابر: ۲۲۶۲۲۴۳۵   |  پیامک/ ارتباط مجازی: ۰۹۱۰۸۹۴۰۳۳۵

                 

      

English                                                   رحمت خدا بر کسی که وقتی کاری می‌کند، عالی انجامش دهد.

                                                              الّلهُــمَّ صَـلِّ عَلـی مُحَمَّـــد وَآلِ مُحَمَّــــد وَ عَجِّــل فَرَجَهُـــم

      Gira     Maico    Mobotix