هواکش محوری DZD 40/4 B؛ کارکرد مکشی و دهشی

هواکش‌های محوری مخصوص بام

مخصوص بام، مناسب برای مکش مرکزی، کارکرد مکشی و دهشی
قابل استفاده در اماکن تجاری، نمایشگاه، تاسیسات تولیدی، محل کار، رستوران و نمایشگاه

هواکش های محوری مخصوص بام سه فاز DZD با کیفیت ممتاز و مشخصات فنی قابل اعتماد؛ دارای عمر طولانی واقعی؛ با مواد مرغوب بدنه که مانع از تغییر رنگ و کهنه شدن می‌گردد؛ امنیت بالا در برابر خرابی و ذوب شدن (بی‌نیاز از پشتیبانی و سرویس، دارای موتور قوی بلبرینگی بی‌نیاز از روغن‌کاری و امکان حفاظت در برابر اضافه بار حرارتی بعنوان مشخصه استاندارد) و دارای شبکه های محافظ گالوانیزه در بخش تخلیه، طبق استاندارد DIN EN ISO 13857 برای جلوگیری از برخورد های تصادفی است.
قابل استفاده در اماکن تجاری، نمایشگاه، تاسیسات تولیدی، محل کار، رستوران، نمایشگاه؛ این هواکش ها در سایز های 25 تا 60 سانتی متر تولید که ظرفیت کاری آنها از 750 تا 9.920 متر مکعب بر ساعت است؛ دارای 8 پره فایبرگلاسی پلی آمید که بطور دینامیکی در دوسطح بالانس شده اند؛ امکان کنترل سرعت؛ کارکرد دو جانبه مکشی و دهشی، بجز هواکش های سری E.../ ...؛ مقاوم در برابر نفوذ آب (IP54 و IP55) برای حفاظت محصول و ایمنی مصرف‌کننده؛ برای امکان حمل با جرثقیل، پیچ های سر سوراخ محکمی روی آن تعبیه شده است.


ویژگی‌ها

  مقاوم در برابر جت آب از تمام جهات (IP 55)

  دارای قلاب‌های حمل توسط جرثقیل

  حفاظت در برابر اضافه بار حرارتی

  مناسب برای کارکرد دائم

  موتور مقاوم کم‌مصرف بلبرینگی و بی‌نیاز به تعمیر و نگهداری

  در بخش تخلیه دستگاه، طبق استاندارد DIN EN ISO 13857 شبکه‌های محافظ گالوانیزه به منظور جلوگیری از برخوردهای تصادفی تعبیه شده است.


مشخصات فنی

سایز نامی:

400 میلیمتر

ابعاد ظاهری:

830 * 830 میلیمتر

نوع کارکرد (مکش / دهش):

مکش / دهش

حداکثر حجم جریان هوا:

3260 مترمکعب بر ساعت

ولتاژ:

400 ولت (سه‌فاز)

نوع ولتاژ:

جریان متناوب

فرکانس:
50 هرتز
حداکثر مصرف انرژی:

244 وات

حداکثر مصرف جریان:

0.65 آمپر

حداکثر دور موتور:

1377 دور در دقیقه

نوع پروانه (پیشران):

محوری

کنترل‌پذیری سرعت:

دارد

محل نصب:

مخصوص بام

زاویه نصب:

عمودی

درجه حفاظتی (در برابر نفوذ آب):

IP 55 (مقاوم در برابر جریان کم‌فشار آب از تمام جهات)

میزان صدا (فشار صوتی):

79 دسیبل

حداکثر دمای هوای در جریان:

20- تا 60 درجه سانتیگراد

جنس بدنه:

استیل گالوانیزه

وزن:

26.6 کیلوگرم

اطلاعات فنی مطابق با ErP در نقطه بهترین بازدهی (BEP)

بازدهی کلی η:

29.8 درصد

طبقه‌بندی اندازه‌گیری:

C

طبقه‌بندی بازدهی:

استاتیک

سطح بازدهی N:

40.1 درصد

نیاز به درایو سرعت متغیر (VSD):

دارای VSD یکپارچه

توان/ حجم هوا/ فشار/ دور موتور (همگی در نقطه بهترین بازدهی):

0.24 کیلو وات/ 3.070 متر مکعب در ساعت/ 84 پاسکال/ 1.370 دور در دقیقه


نمودار بازدهی

نمودار بازدهی

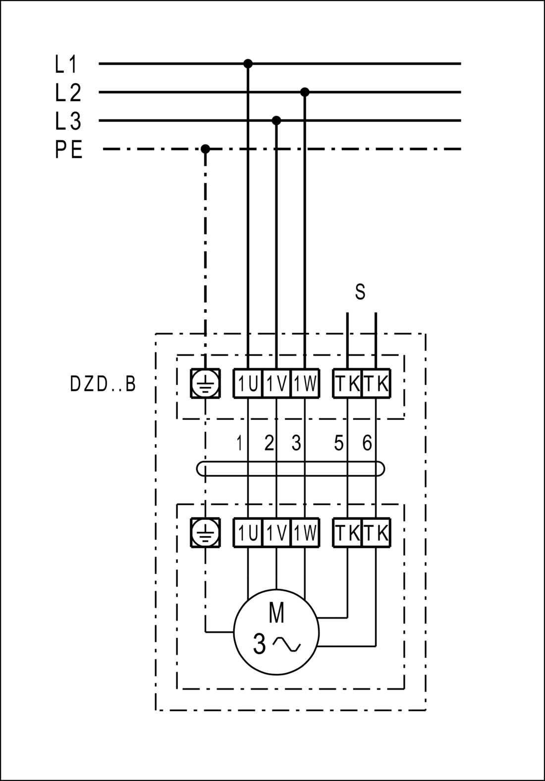
جزئیات سربندی

جزئیات سربندی

 

شـرکت مهندسـی- بازرگانی ژفــــکر
بـا 50 ســـــــــــال ســـــــابـقه

سیستم مدیریت هوشمند ساختمان
تـأسیســات و تجهـیزات الکتریـکی

 


 
عرضه مستقیم تجهیزات الکتریکی و خدمات تأسیساتی            www.jafkar.com 
تحت لیسـانس کمپـانی‌هــای Maico ،Gira و این آدرس ایمیل توسط spambots حفاظت می شود. برای دیدن شما نیاز به جاوا اسکریپت دارید           Mobotix

نشانی دفتر: تهران، بزرگراه صدر، خروجی کاوه جنوب، بن‌بست نصر، پ ۳، واحد ۱
تلفن: ۲۲۰۰۲۴۳۵   |   نمابر: ۲۲۶۲۲۴۳۵   |  پیامک/ ارتباط مجازی: ۰۹۱۰۸۹۴۰۳۳۵

                 

      

English                                                   رحمت خدا بر کسی که وقتی کاری می‌کند، عالی انجامش دهد.

                                                              الّلهُــمَّ صَـلِّ عَلـی مُحَمَّـــد وَآلِ مُحَمَّــــد وَ عَجِّــل فَرَجَهُـــم

      Gira     Maico    Mobotix