هواکش رطوبت زدای خودکار AKE 100؛ با امکان کنترل هواکش‌های کمکی، مقاوم در برابر یخ‌زدگی

هواکش‌های فضاهای کوچک

قابل نصب روکار، رطوبت زدایی خودکار، مقاوم در برابر یخ‌زدگی، مناسب فضاهای کوچک، بسیار کم‌صدا،
قابل استفاده در انباری، اتاق تاسیسات، اتاق خشک کن

هواکش های سری ECA AKE با استاندارد VDE آلمان (علاوه بر گواهی‌های CE اروپا) با کیفیت ممتاز و مشخصات فنی قابل اعتماد؛ دارای عمر طولانی واقعی و صدای بسیار کم؛ با مواد مرغوب بدنه که مانع از تغییر رنگ و کهنه شدن می‌گردد؛ راندمان بالا به واسطه مصرف انرژی کم (8 وات – نماد Blue Performance) متناسب با ساختمان‌های سبز و پاک (سازگار با محیط زیست)؛ مقاوم در برابر نفوذ آب (IP X4) برای حفاظت محصول و ایمنی مصرف‌کننده؛ امنیت بالا در برابر خرابی و ذوب شدن (بی‌نیاز از پشتیبانی و سرویس، دارای موتور کم‌مصرف قوی و بلبرینگ بی‌نیاز از روغن‌کاری) است.
از ویژگی های شاخص محصولات این سری: تایمری که داخل این هواکش تعبیه شده، باعث گردیده که نیازی به کلید مجزا نداشته باشد. این هواکش برای رطوبت زدایی خودکار در فضاهای نمناک می‌باشد که دارای حسگرهای داخلی و بیرونی و مجهز به تشخیص نقطه شبنم هستند. همچنین سایر فن‌های موجود اعم از مکنده و دمنده را می‌توان به این هواکش ملحق کرد تا رطوبت زدایی خودکار AKE آن را کنترل نماید. مناسب برای استفاده در فضاهای کوچک مانند سرویس بهداشتی و انباری در محدوده حفاظتی 1 بر اساس DIN VDE 0100-701 است. با استفاده از تجهیزات نصب مخصوص، می توان این هواکش های را روی پنجره نیز نصب نمود.


ویژگی‌ها

  سایز قطر لوله 10 سانتیمتر

  قابل استفاده در حمام، سرویس بهداشتی، انبار و سایر فضاهای کوچک

  دارای کنترل اتوماتیک یکپارچه رطوبت می باشد.

  کارکرد اتوماتیک در صورت افزایش رطوبت نسبت به محیط بیرون و خاموشی خودکار در رطوبت نسبی 30 درصد کمتر از رطوبت بیرون

  محافظت در برابر یخ زدگی: در دمای زیر 5 درجه سانتی گراد بطور خودکار خاموش می گردد.

  کلاس حفاظتی II

  مقاوم در برابر پاشیدن آب از تمام جهات (IP X4)

  حفاظت در برابر اضافه بار حرارتی

  مناسب برای کارکرد دائم

  موتور مقاوم کم مصرف بلبرینگی و بی‌نیاز به تعمیر و نگهداری


مشخصات فنی

سایز نامی:

100 میلیمتر (برای لوله به قطر 10 سانتیمتر)

ابعاد ظاهری:

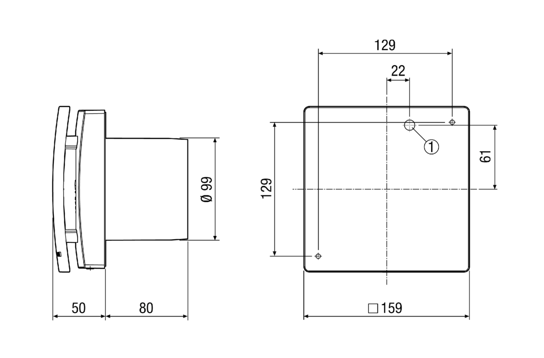
159*159 میلیمتر

نوع کارکرد (مکش / دهش):
مکش
حداکثر حجم جریان هوا:

92 مترمکعب در ساعت

ولتاژ:
230 ولت (تکفاز)
نوع ولتاژ:

جریان متناوب

فرکانس:
50 هرتز
حداکثر مصرف انرژی:

8 وات

حداکثر مصرف جریان:

0.06 آمپر

حداثر مصرف جریان هواکش‌های کمکی:

در صورت اتصال مستقیم تا 600 میلی آمپر

در صورت اتصال غیرمستقیم (با استفاده از رله یا کنتاکتور)، محدودیتی ندارد

حداکثر دور موتور:

2,500 دور در دقیقه

نوع پروانه (پیشران):

اکسیال (محوری)

محل نصب:
دیوار و سقف
نوع نصب:

روکار

درجه حفاظتی (در برابر نفوذ آب):

IP X4 (مقاوم در برابر پاشیدن آب از تمام جهات)

میزان صدا (فشار صوتی):

32 دسیبل

حداکثر دمای هوای در جریان:
40 درجه سانتیگراد
عملکرد اتوماتیک:

روشن و خاموش شدن خودکار

مقاوم در برابر یخ‌زدگی:

غیر فعال‌شدن خودکار در دمای کمتر از 5 درجه سانتیگراد

طول کابل حسگر:

1 متر

جنس بدنه:
پلاستیک (مواد سنتتیک مقاوم)
وزن:

0.804 کیلوگرم


نمودار بازدهی

نمودار بازدهی

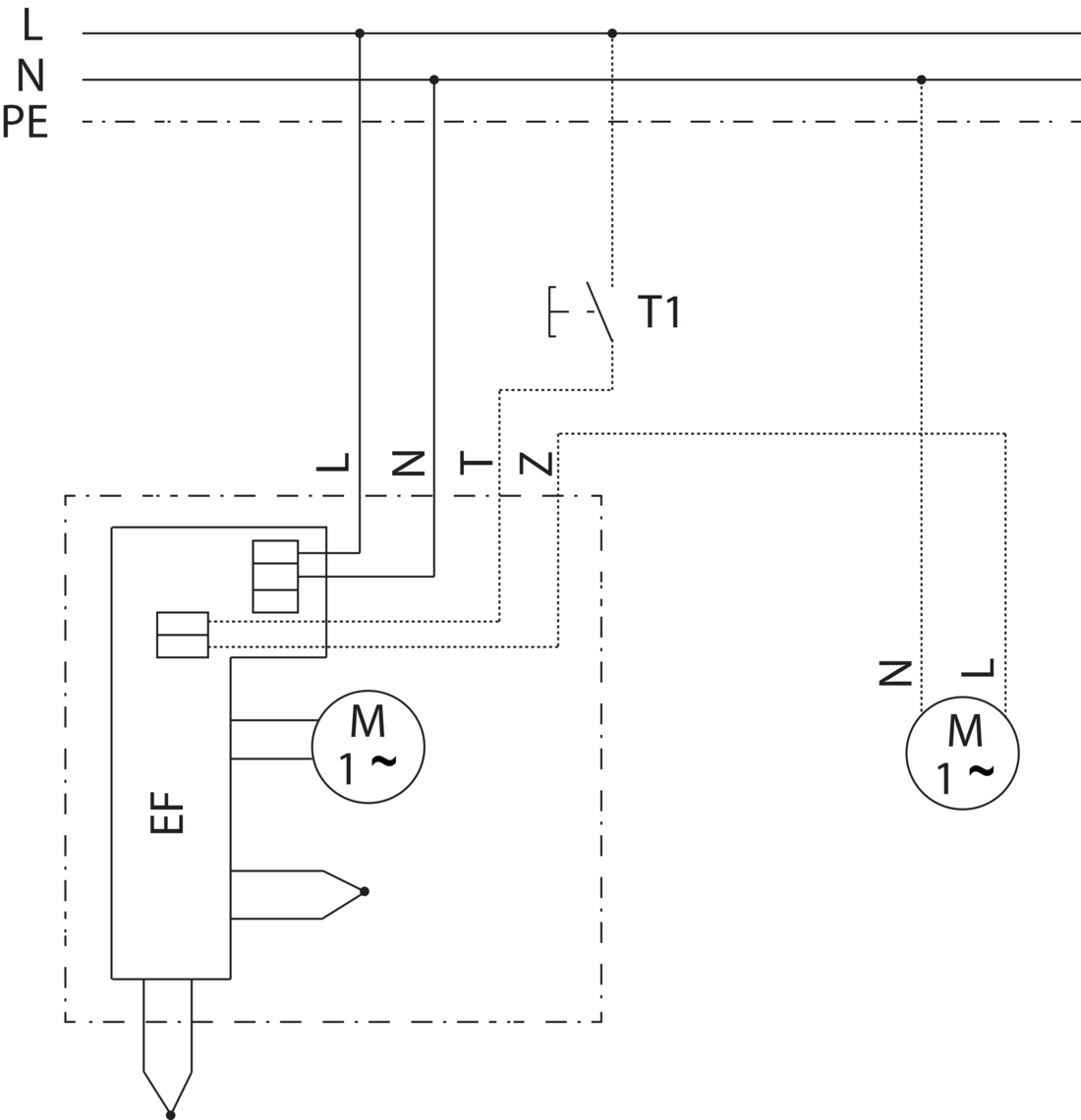
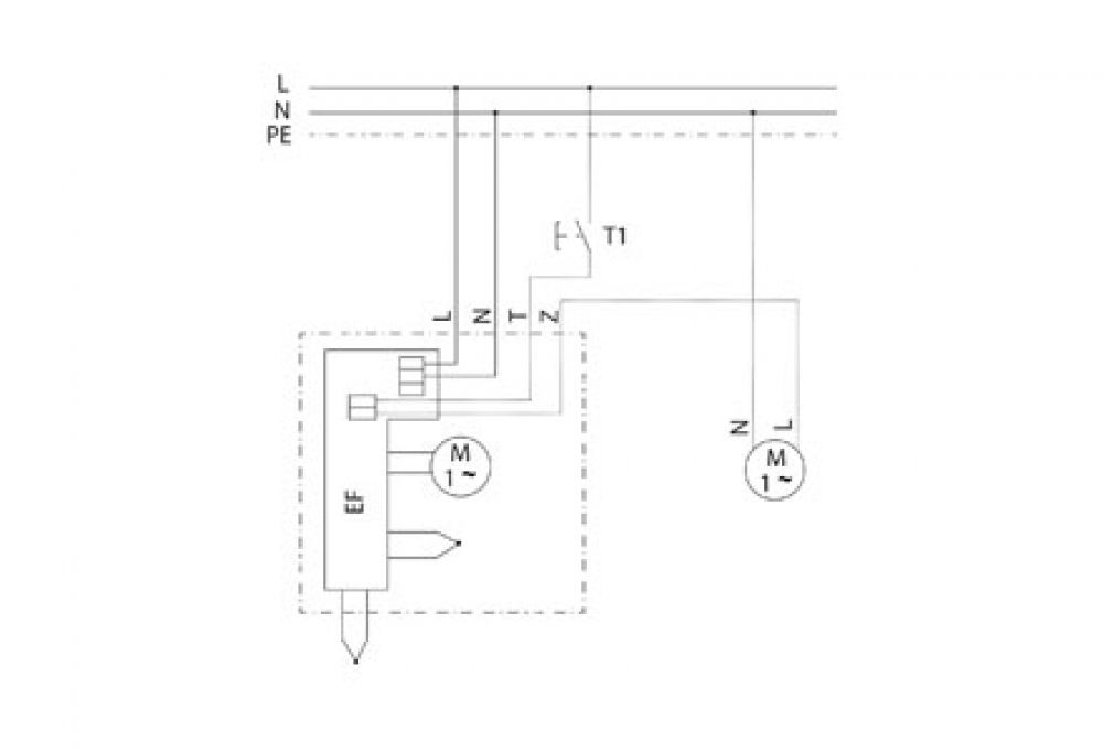
جزئیات سربندی

جزئیات سربندی

اتصال Z برای تغذیه هواکش‌های کمکی است.

جزئیات ابعاد


اطلاعات تکمیلی

 

شـرکت مهندسـی- بازرگانی ژفــــکر
بـا 50 ســـــــــــال ســـــــابـقه

سیستم مدیریت هوشمند ساختمان
تـأسیســات و تجهـیزات الکتریـکی

 


 
عرضه مستقیم تجهیزات الکتریکی و خدمات تأسیساتی            www.jafkar.com 
تحت لیسـانس کمپـانی‌هــای Maico ،Gira و این آدرس ایمیل توسط spambots حفاظت می شود. برای دیدن شما نیاز به جاوا اسکریپت دارید           Mobotix

نشانی دفتر: تهران، بزرگراه صدر، خروجی کاوه جنوب، بن‌بست نصر، پ ۳، واحد ۱
تلفن: ۲۲۰۰۲۴۳۵   |   نمابر: ۲۲۶۲۲۴۳۵   |  پیامک/ ارتباط مجازی: ۰۹۱۰۸۹۴۰۳۳۵

                 

      

English                                                   رحمت خدا بر کسی که وقتی کاری می‌کند، عالی انجامش دهد.

                                                              الّلهُــمَّ صَـلِّ عَلـی مُحَمَّـــد وَآلِ مُحَمَّــــد وَ عَجِّــل فَرَجَهُـــم

      Gira     Maico    Mobotix