هواکش محوری ECA 15/2 E؛ داخل داکت

هواکش‌های فضاهای کوچک

قابل نصب توکار، مناسب فضاهای کوچک
قابل استفاده در حمــام، آشپزخانه، انباری و دیگر فضاهای کوچک

هواکش های سری های ECA E  با استاندارد VDE آلمان (علاوه بر گواهی‌های CE و GS اروپا) با کیفیت ممتاز و مشخصات فنی قابل اعتماد؛ دارای عمر طولانی واقعی؛ با مواد مرغوب بدنه که مانع از تغییر رنگ و کهنه شدن می‌گردد؛ مقاوم در برابر نفوذ آب (IP44 و IP45) برای حفاظت محصول و ایمنی مصرف‌کننده؛ امنیت بالا در برابر خرابی و ذوب شدن (بی‌نیاز از پشتیبانی و سرویس، دارای موتور کم‌مصرف قوی و بلبرینگ بی‌نیاز از روغن‌کاری)؛ امکان کارکرد دوجانبه مکش و دهش و با قابیلیت کنترل سرعت دور فن. این سری هواکش ها قابل نصب در داکت های انعطاف پذیر بوده و برای استفاده در فضاهای کوچک مانند سرویس بهداشتی و انباری در محدوده حفاظتی 2 بر اساس DIN VDE 0100-701 مناسب است.


ویژگی‌ها

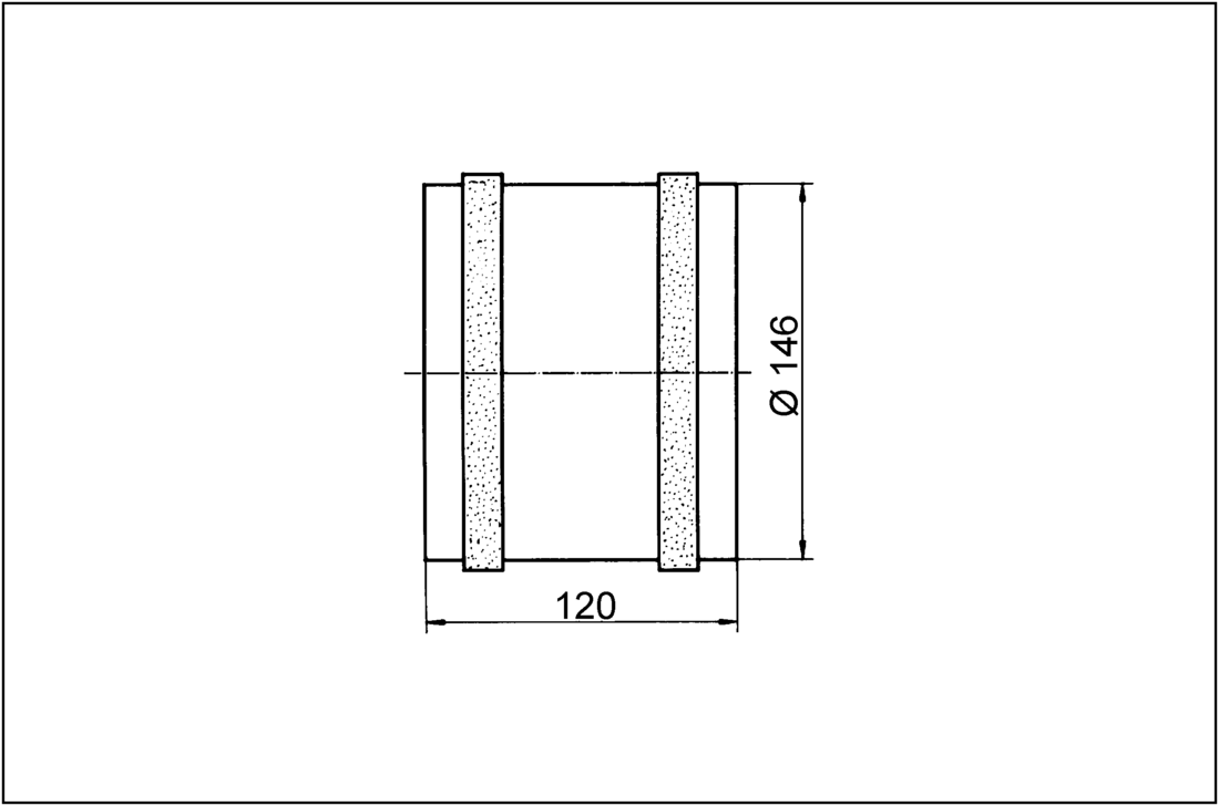
  سایز قطر لوله 15 سانتیمتر

  قابل استفاده در حمام، سرویس بهداشتی، انبار و سایر فضاهای کوچک

  امکان کنترل سرعت

  مقاوم در برابر نفوذ آب (IP X5) برای حفاظت محصول و ایمنی مصرف‌کننده در حمام

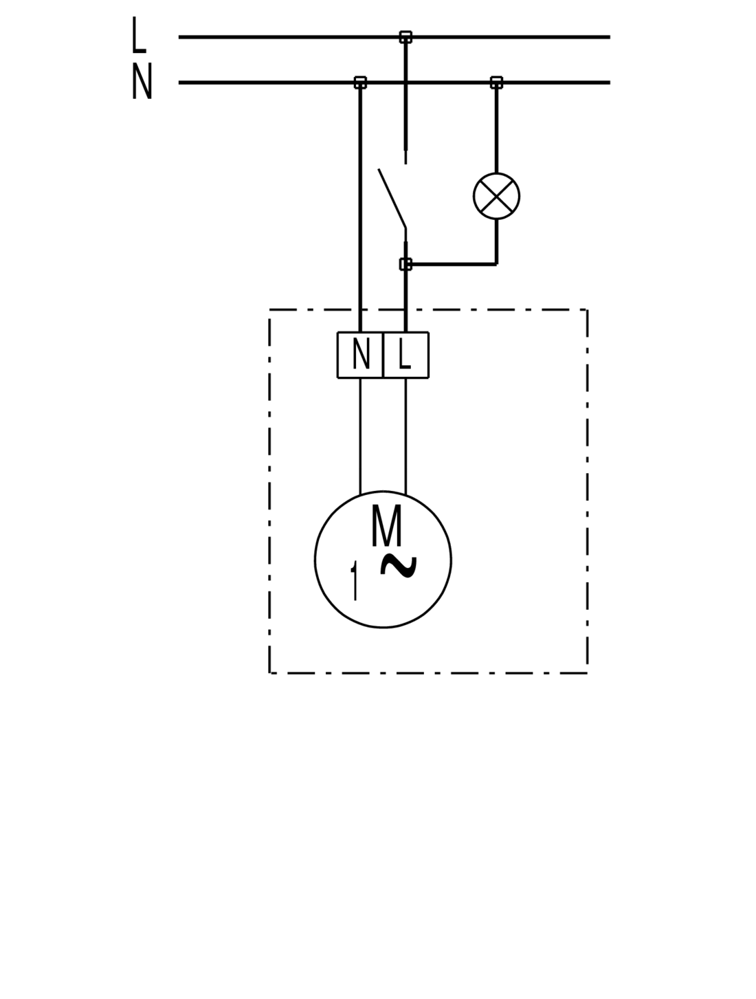
  مکش یا دمش هوا به موقعیت نصب آن داخل داکت وابسته است

  دارای نماد استاندارد VDE_GS

  کلاس حفاظتی II 

  حفاظت در برابر اضافه بار حرارتی

  مناسب برای کارکرد دائم

  موتور مقاوم کم مصرف بلبرینگی و بی‌نیاز به تعمیر و نگهداری


مشخصات فنی

سایز نامی:

150 میلیمتر (برای لوله به قطر 15 سانتیمتر)

ابعاد ظاهری:

146 * 146 میلیمتر

نوع کارکرد (مکش / دهش):

مکش یا دمش

حداکثر حجم جریان هوا:

320 مترمکعب در ساعت

ولتاژ:
230 ولت (تکفاز)
نوع ولتاژ:

جریان متناوب

فرکانس:
50 هرتز
حداکثر مصرف انرژی:

38 وات

حداکثر مصرف جریان:

0.25 آمپر

حداکثر دور موتور:

2,700 دور در دقیقه

نوع پروانه (پیشران):

اکسیال (محوری)

محل نصب:

داخل داکت

نوع نصب:

توکار

درجه حفاظتی (در برابر نفوذ آب):

IP 44 (مقاوم در برابر پاشیدن آب از تمام جهات)

میزان صدا (فشار صوتی):

43 دسیبل

حداکثر دمای هوای در جریان:
40 درجه سانتیگراد
جنس بدنه:
پلاستیک (مواد سنتتیک مقاوم)
وزن:

1 کیلوگرم


نمودار بازدهی

جزئیات سربندی

 

شـرکت مهندسـی- بازرگانی ژفــــکر
بـا 45 ســـــــــــال ســـــــابـقه

سیستم مدیریت هوشمند ساختمان
تـأسیســات و تجهـیزات الکتریـکی

 


 
عرضه مستقیم تجهیزات الکتریکی و خدمات تأسیساتی            www.jafkar.com 
تحت لیسـانس کمپـانی‌هــای Maico ،Gira و این آدرس ایمیل توسط spambots حفاظت می شود. برای دیدن شما نیاز به جاوا اسکریپت دارید           Mobotix

نشانی دفتر: تهران، بزرگراه صدر، خروجی کاوه جنوب، بن‌بست نصر، پ ۳، واحد ۱
تلفن: ۲۲۰۰۲۴۳۵   |   نمابر: ۲۲۶۲۲۴۳۵   |  پیامک/ ارتباط مجازی: ۰۹۱۰۸۹۴۰۳۳۵

                 

      

English                                                   رحمت خدا بر کسی که وقتی کاری می‌کند، عالی انجامش دهد.

                                                              الّلهُــمَّ صَـلِّ عَلـی مُحَمَّـــد وَآلِ مُحَمَّــــد وَ عَجِّــل فَرَجَهُـــم

      Gira     Maico    Mobotix