هواکش محوری ECA piano Standard؛ بسیار کم‌صدا، دارای دمپر هوای برگشت

هواکش‌های فضاهای کوچک

قابل نصب روکار، مناسب فضاهای کوچک، بسیار کم‌صدا، دارای دمپر هوای برگشت
قابل استفاده در حمــام، آشپزخانه، انباری و دیگر فضاهای کوچک

هواکش های سری ECA piano  با استاندارد VDE آلمان (علاوه بر گواهی‌های CE و GS اروپا) با کیفیت ممتاز و مشخصات فنی قابل اعتماد؛ دارای عمر طولانی واقعی و صدای بسیار کم؛ با مواد مرغوب بدنه که مانع از تغییر رنگ و کهنه شدن می‌گردد؛ راندمان بالا به واسطه مصرف انرژی کم (8 وات) متناسب با ساختمان‌های سبز و پاک (سازگار با محیط زیست)؛ مقاوم در برابر نفوذ آب (IP X4) برای حفاظت محصول و ایمنی مصرف‌کننده؛ امنیت بالا در برابر خرابی و ذوب شدن (بی‌نیاز از پشتیبانی و سرویس، دارای موتور کم‌مصرف قوی و بلبرینگ بی‌نیاز از روغن‌کاری)


ویژگی‌ها

  سایز قطر لوله 10 سانتیمتر

  باتوجه به نوآوری پره‌ها، بسیار کم‌صدا است

  دارای دمپر برای جلوگیری از برگشت هوا

  مقاوم در برابر نفوذ آب (IP X4) برای حفاظت محصول و ایمنی مصرف‌کننده در حمام

  دارای نماد استاندارد VDE_GS

  کلاس حفاظتی II 

  حفاظت در برابر اضافه بار حرارتی

  مناسب برای کارکرد دائم

  موتور مقاوم کم مصرف بلبرینگی و بی‌نیاز به تعمیر و نگهداری


مشخصات فنی

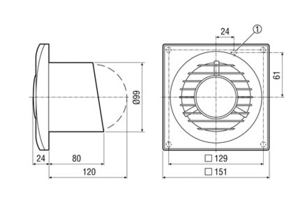
سایز نامی:

100 میلیمتر (برای لوله به قطر 10 سانتیمتر)

ابعاد ظاهری:

151*151 میلیمتر

نوع کارکرد (مکش / دهش):
مکش
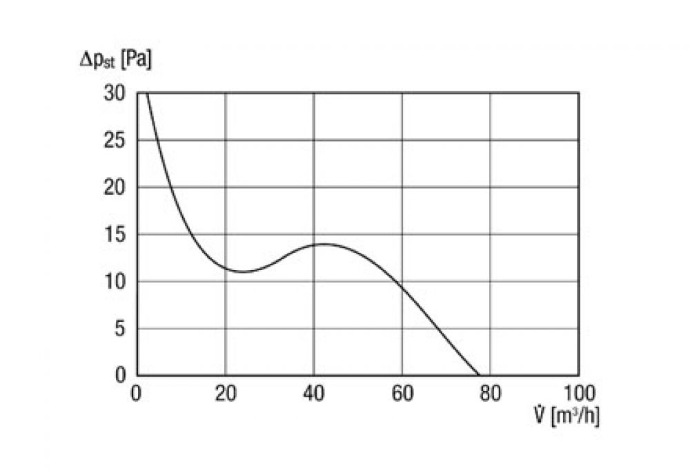
حداکثر حجم جریان هوا:

80 مترمکعب در ساعت

ولتاژ:
230 ولت (تکفاز)
نوع ولتاژ:

جریان متناوب

فرکانس:
50 هرتز
حداکثر مصرف انرژی:

8 وات

حداکثر مصرف جریان:

0.06 آمپر

حداکثر دور موتور:

2.400 دور در دقیقه

نوع پروانه (پیشران):

اکسیال (محوری)

محل نصب:
دیوار و سقف
نوع نصب:

روکار

درجه حفاظتی (در برابر نفوذ آب):

IP X4 (مقاوم در برابر پاشیدن آب از تمام جهات)

میزان صدا (فشار صوتی):

26 دسیبل

حداکثر دمای هوای در جریان:
40 درجه سانتیگراد
جنس بدنه:
پلاستیک (مواد سنتتیک مقاوم)
وزن:

0.5 کیلوگرم


نمودار بازدهی

نمودار بازدهی

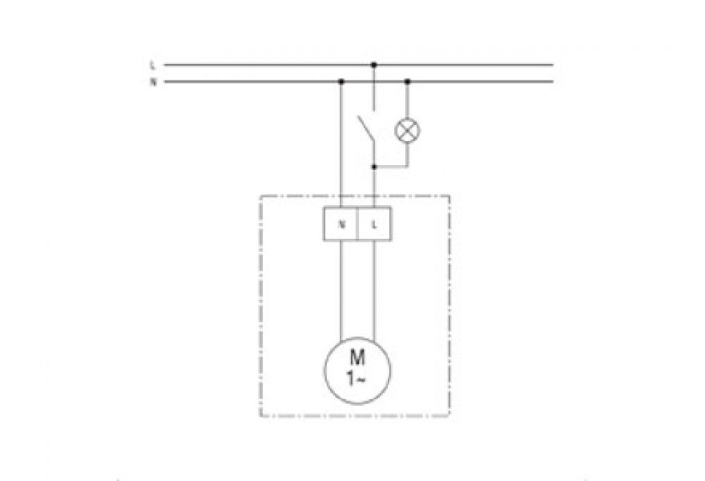
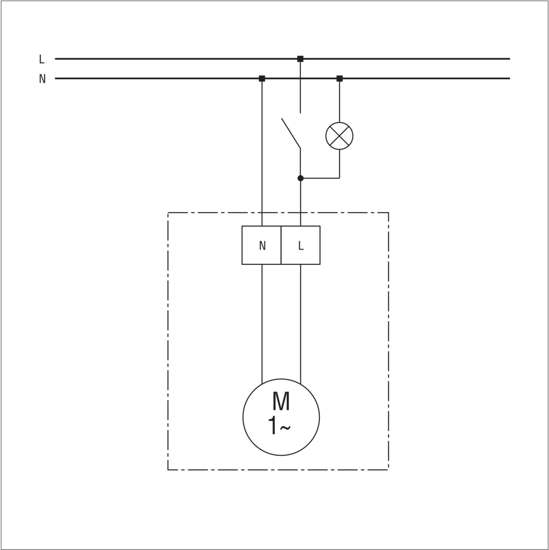
جزئیات سربندی

جزئیات سربندی

 

شـرکت مهندسـی- بازرگانی ژفــــکر
بـا 50 ســـــــــــال ســـــــابـقه

سیستم مدیریت هوشمند ساختمان
تـأسیســات و تجهـیزات الکتریـکی

 


 
عرضه مستقیم تجهیزات الکتریکی و خدمات تأسیساتی            www.jafkar.com 
تحت لیسـانس کمپـانی‌هــای Maico ،Gira و این آدرس ایمیل توسط spambots حفاظت می شود. برای دیدن شما نیاز به جاوا اسکریپت دارید           Mobotix

نشانی دفتر: تهران، بزرگراه صدر، خروجی کاوه جنوب، بن‌بست نصر، پ ۳، واحد ۱
تلفن: ۲۲۰۰۲۴۳۵   |   نمابر: ۲۲۶۲۲۴۳۵   |  پیامک/ ارتباط مجازی: ۰۹۱۰۸۹۴۰۳۳۵

                 

      

English                                                   رحمت خدا بر کسی که وقتی کاری می‌کند، عالی انجامش دهد.

                                                              الّلهُــمَّ صَـلِّ عَلـی مُحَمَّـــد وَآلِ مُحَمَّــــد وَ عَجِّــل فَرَجَهُـــم

      Gira     Maico    Mobotix