هواکش‌های مسطح و باریک EFR-12-R؛ تایمردار، 5 سرعته

هواکش‌های پربازده

هواکش‌های مسطح و باریک با پروانه‌های سانتریفیوژی، پرقدرت، تایمردار و 5 سرعته
قابل استفاده در ساختمان‌های تک خانواری، دفترکار، اتاق فرمان، سرویس بهداشتی

هواکش های سری EFR با کیفیت ممتاز و مشخصات فنی قابل اعتماد؛ دارای عمر طولانی واقعی و صدای کم؛ با مواد مرغوب بدنه که مانع از تغییر رنگ و کهنه شدن می‌گردد؛ مدل های EFR 10 R و EFR 12 R در 5 سرعت قابل تنظیم هستند. یکی از سطح سرعتهای 1 تا 4 را می توان برای حالت بار پایه تنظیم کرد و سطح 5 (ماکزیمم سرعت) با یک تماس اضافی مانند کلید روشنایی قابل فعال شدن است. تنظیم زمان دورتند با استفاده از پتانسیومتر روی دستگاه از 3 تا 25 دقیقه قابل تنظیم است. با توجه به ابعاد کوچک، برای استفاده در بازسازی ایده آل است. امنیت بالا در برابر خرابی و ذوب شدن (بی‌نیاز از پشتیبانی و سرویس، دارای موتور قوی بلبرینگی بی‌نیاز از روغن‌کاری و امکان حفاظت در برابر اضافه بار حرارتی بعنوان مشخصه استاندارد)؛ قابل استفاده در خانه های تک خانواری، دفترکار، اتاق فرمان، سرویس بهداشتی؛ این هواکش ها در سایز های 10 و 12.5 سانتی متر تولید که ظرفیت کاری آنها از 220 تا 255 متر مکعب بر ساعت است؛ دارای پروانه های سانتریفیوژی با تیغه های خمیده به عقب؛  امکان کنترل سرعت؛ مقاوم در برابر نفوذ آب نمی باشد (IP20


ویژگی‌ها

  سایز قطر خروجی 12 سانتیمتر

  یکی از سطوح سرعت 1 تا 4 را می‌توان برای حالت دورکند تنظیم کرد و دورتند تنها با سطح سرعت 5 اجرا می‌گردد

  زمان کارکرد دورتند هواکش با استفاده از پتانسیومتر روی دستگاه از 3 تا 25 دقیقه است

  دارای پروانه‌های سانتریفیوژی با تیغه‌های خمیده به عقب

  حفاظت در برابر اضافه بار حرارتی

  مناسب برای کارکرد دائم

  موتور مقاوم کم‌مصرف بلبرینگی و بی‌نیاز به تعمیر و نگهداری


مشخصات فنی

سایز نامی:

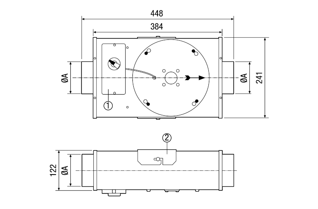
121 میلیمتر

ابعاد ظاهری:

122 * 241 میلیمتر

نوع کارکرد (مکش / دهش):

مکش

حداکثر حجم جریان هوا:

255 مترمکعب در ساعت

ولتاژ:
230 ولت (تکفاز)
نوع ولتاژ:

جریان متناوب

فرکانس:
50 هرتز
حداکثر مصرف انرژی:

53 وات

حداکثر مصرف جریان:

0.24 آمپر

حداکثر دور موتور:

2.392 دور در دقیقه

کنترل پذیری سرعت:

دارد

نوع پروانه (پیشران):

شعاعی

محل نصب:

داخل داکت

نوع نصب:

توکار

درجه حفاظتی (در برابر نفوذ آب):

IP 20 (در برابر نفوذ آب مقاوم نیست)

میزان صدا (فشار صوتی):

37 دسیبل

حداکثر دمای هوای در جریان:

20- تا 50 درجه سانتیگراد

جنس بدنه:

استیل گالوانیزه

وزن:

4.7 گیلوگرم


نمودار بازدهی

جزئیات ابعاد

A: 121 mm

اطلاعات تکمیلی

 

شـرکت مهندسـی- بازرگانی ژفــــکر
بـا 50 ســـــــــــال ســـــــابـقه

سیستم مدیریت هوشمند ساختمان
تـأسیســات و تجهـیزات الکتریـکی

 


 
عرضه مستقیم تجهیزات الکتریکی و خدمات تأسیساتی            www.jafkar.com 
تحت لیسـانس کمپـانی‌هــای Maico ،Gira و این آدرس ایمیل توسط spambots حفاظت می شود. برای دیدن شما نیاز به جاوا اسکریپت دارید           Mobotix

نشانی دفتر: تهران، بزرگراه صدر، خروجی کاوه جنوب، بن‌بست نصر، پ ۳، واحد ۱
تلفن: ۲۲۰۰۲۴۳۵   |   نمابر: ۲۲۶۲۲۴۳۵   |  پیامک/ ارتباط مجازی: ۰۹۱۰۸۹۴۰۳۳۵

                 

      

English                                                   رحمت خدا بر کسی که وقتی کاری می‌کند، عالی انجامش دهد.

                                                              الّلهُــمَّ صَـلِّ عَلـی مُحَمَّـــد وَآلِ مُحَمَّــــد وَ عَجِّــل فَرَجَهُـــم

      Gira     Maico    Mobotix