هواکش سانتریفیوژی استاندارد EHD 20؛ با ابعاد و وزن فشرده

هواکش‌های مخصوص بام استاندارد

مخصوص بام، مناسب برای مکش مرکزی، با ابعاد و وزن فشرده
قابل استفاده در گلخانه، گاراژ، خانه های کانتینری و اتاق فرمان

هواکش های سری EHD با کیفیت ممتاز و مشخصات فنی قابل اعتماد؛ دارای عمر طولانی واقعی؛ با مواد مرغوب بدنه که مانع از تغییر رنگ و کهنه شدن می‌گردد؛ سری هواکش های EHD  باتوجه به ابعاد کاملا فشرده آنها، در حفظ فضا کمک مهمی می کند؛ شاتر یکپارچه برای جلوگیری از برگشت هوا هنگام خاموش بودن سیستم؛ امنیت بالا در برابر خرابی و ذوب شدن (بی‌نیاز از پشتیبانی و سرویس، دارای موتور قوی بلبرینگی بی‌نیاز از روغن‌کاری و امکان حفاظت در برابر اضافه بار حرارتی بعنوان مشخصه استاندارد)؛ قابل استفاده در گلخانه، گاراژ، خانه های کانتینری، اتاق فرمان؛
 این هواکش ها در سایز های 10 تا 31 سانتی متر تولید که ظرفیت کاری آنها از 300 تا 1.160 متر مکعب بر ساعت است؛ دارای پروانه های سانتریفیوژی با تیغه های خمیده به عقب؛ امکان کنترل سرعت؛ مقاوم در برابر نفوذ آب (IPX5) برای حفاظت محصول و ایمنی مصرف‌کننده هستند. برای امکان حمل با جرثقیل، پیچ های سر سوراخ محکمی روی آن تعبیه شده است.


ویژگی‌ها

  سایز قطر لوله 200 میلیمتر

  سرعت قابل کنترل

  مقاوم در برابر پاشیدن آب از تمام جهات (IPX5)

  دارای پروانه های سانتریفیوژی با پره های خمیده به عقب

  حفاظت در برابر اضافه بار حرارتی

  مناسب برای کارکرد دائم

  موتور مقاوم کم‌مصرف بلبرینگی و بی‌نیاز به تعمیر و نگهداری


مشخصات فنی

سایز نامی:

200 میلیمتر

ابعاد ظاهری:

405 * 405 میلیمتر

نوع کارکرد (مکش / دهش):
مکش
حداکثر حجم جریان هوا:

755 مترمکعب بر ساعت

ولتاژ:
230 ولت (تکفاز)
نوع ولتاژ:

جریان متناوب

فرکانس:
50 هرتز
حداکثر مصرف انرژی:

107 وات

حداکثر مصرف جریان:

0.47 جریان

نوع پروانه (پیشران):

شعاعی

کنترل‌پذیری سرعت:

دارد

محل نصب:

مخصوص بام

زاویه نصب:

عمودی

درجه حفاظتی (در برابر نفوذ آب):

IP X5 (مقاوم در برابر جریان کم‌فشار آب از تمام جهات)

میزان صدا (فشار صوتی):

55 دسیبل

حداکثر دمای هوای در جریان:

25- تا 50 درجه سانتیگراد

جنس بدنه:

آلومینیوم

رنگ بدنه:

نقره‌ای

وزن:

7.7 کیلوگرم


نمودار بازدهی

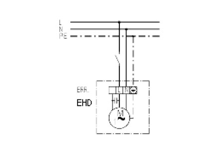
جزئیات سربندی

 

شـرکت مهندسـی- بازرگانی ژفــــکر
بـا 50 ســـــــــــال ســـــــابـقه

سیستم مدیریت هوشمند ساختمان
تـأسیســات و تجهـیزات الکتریـکی

 


 
عرضه مستقیم تجهیزات الکتریکی و خدمات تأسیساتی            www.jafkar.com 
تحت لیسـانس کمپـانی‌هــای Maico ،Gira و این آدرس ایمیل توسط spambots حفاظت می شود. برای دیدن شما نیاز به جاوا اسکریپت دارید           Mobotix

نشانی دفتر: تهران، بزرگراه صدر، خروجی کاوه جنوب، بن‌بست نصر، پ ۳، واحد ۱
تلفن: ۲۲۰۰۲۴۳۵   |   نمابر: ۲۲۶۲۲۴۳۵   |  پیامک/ ارتباط مجازی: ۰۹۱۰۸۹۴۰۳۳۵

                 

      

English                                                   رحمت خدا بر کسی که وقتی کاری می‌کند، عالی انجامش دهد.

                                                              الّلهُــمَّ صَـلِّ عَلـی مُحَمَّـــد وَآلِ مُحَمَّــــد وَ عَجِّــل فَرَجَهُـــم

      Gira     Maico    Mobotix